Качественные детали и логистика
Оригинальные и аналоговые запчасти с доставкой по России, Казахстану и Беларуси
©2022 PartSell ООО "Система" ИНН 2463123282 ОГРН 1212400004838
Центральный офис: г. Красноярск, Академика Киренского, д.87, пом.4
Телефон: 8 (800) 777-65-74 Email: zakaz@partsell.ru
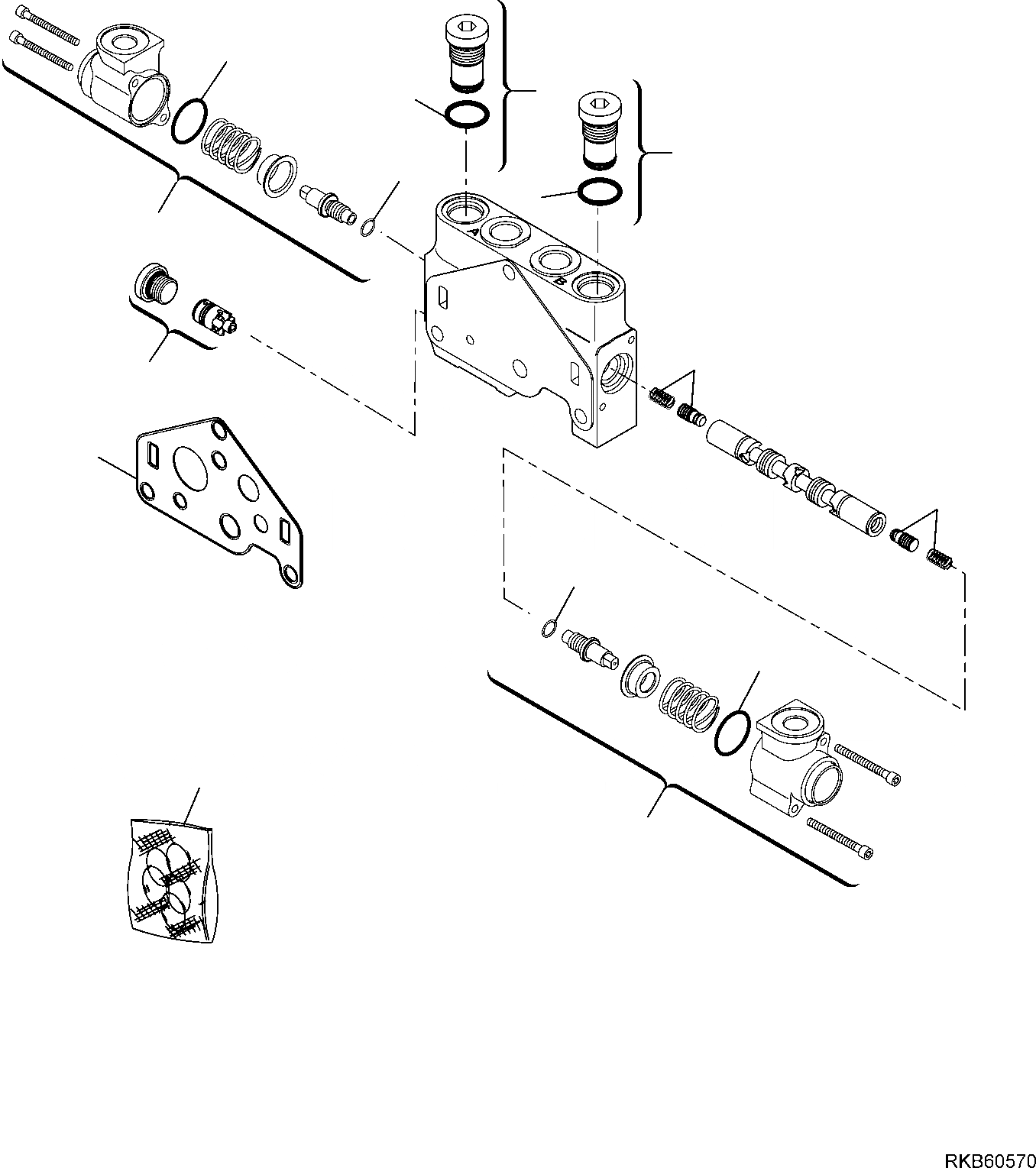
УПРАВЛЯЮЩ. КЛАПАН (8/)
№
Артикул
Название
Примечание
Количество
\0
20M-60-R1121
CONTROL VALVE, ASSEMBLY
RE08403423
ELEMENT, BLADE, ASSEMBLY
1
RE08250486
KIT, VALVE
2
RE08200953
KIT, COMPENSATOR
3
RE08200960
PLUG
4
RE08250484
CONTROL KIT
5
RE08101426
SEAL
6
RE08250487
KIT, GASKET
7
O-RING
8
9
Выбрано товаров: 0