Качественные детали и логистика
Оригинальные и аналоговые запчасти с доставкой по России, Казахстану и Беларуси
©2022 PartSell ООО "Система" ИНН 2463123282 ОГРН 1212400004838
Центральный офис: г. Красноярск, Академика Киренского, д.87, пом.4
Телефон: 8 (800) 777-65-74 Email: zakaz@partsell.ru
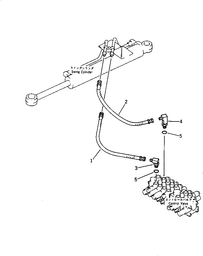
ГИДРОЛИНИЯ (КЛАПАН TO/FROM ЦИЛИНДР ПОВОРОТА СТРЕЛЫ)
№
Артикул
Название
Примечание
Количество
1
20N-62-42475
HOSE
2
20N-62-42465
3
20N-62-42460
ELBOW
4
20N-62-42470
5
07002-11823
O-RING
Выбрано товаров: 0