Запчасти Komatsu PC15-2 РЫЧАГ УПРАВЛЕНИЯ ОТВАЛОМ (ДЛЯ -WAY УПРАВЛ-Е) СИСТЕМА УПРАВЛЕНИЯ И ОСНОВНАЯ РАМА

Схема запчастей Komatsu PC15-2 - РЫЧАГ УПРАВЛЕНИЯ ОТВАЛОМ (ДЛЯ -WAY УПРАВЛ-Е) СИСТЕМА УПРАВЛЕНИЯ И ОСНОВНАЯ РАМА
FIT
1:1
100%

Артикул

Название

Примечание

Количество

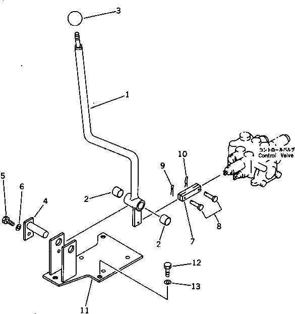
1

20N-43-42821

LEVER

2

09350-02020

BUSHING

3

20R-43-11280

KNOB

4

20N-43-41765

SHAFT

5

01010-50816

BOLT

6

01643-30823

WASHER

7

20N-43-31221

YOKE

8

04205-10516

PIN

9

04050-11208

PIN,COTTER

10

04052-10530

PIN,SNAP

11

20N-43-42810

BRACKET

12

01010-51020

BOLT

13

01643-31032

WASHER

Выбрано товаров: 13