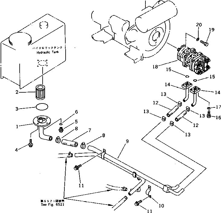
Запчасти Komatsu PC15-2 ГИДРОЛИНИЯ (ИЗ БАКА В НАСОС) (ДЛЯ ЯПОН.) (ДЛЯ АЗИИ) УПРАВЛ-Е РАБОЧИМ ОБОРУДОВАНИЕМ

Схема запчастей Komatsu PC15-2 - ГИДРОЛИНИЯ (ИЗ БАКА В НАСОС) (ДЛЯ ЯПОН.) (ДЛЯ АЗИИ) УПРАВЛ-Е РАБОЧИМ ОБОРУДОВАНИЕМ
FIT
1:1
100%

Артикул

Название

Примечание

Количество

1

20N-62-42125

TUBE

2

20N-62-42110

STRAINER

3

07000-02100

O-RING

4

01435-00816

BOLT

5

07044-12412

PLUG

6

07002-02434

O-RING

7

07260-23214

HOSE

8

07281-00489

CLAMP

9

20P-62-12710

TUBE

10

07282-13411

CLAMP

11

01435-01016

BOLT

12

07260-22022

HOSE

13

07281-00359

CLAMP

14

20N-62-44120

TUBE

15

07000-03025

O-RING

16

01010-50825

BOLT

17

01643-30823

WASHER

18

01010-51030

BOLT

19

01643-31032

WASHER

Выбрано товаров: 19