Запчасти Komatsu PC15-2 ГУСЕНИЧНАЯ РАМА (ДЛЯ ЯПОН.) (ДЛЯ АЗИИ) ХОДОВАЯ

Схема запчастей Komatsu PC15-2 - ГУСЕНИЧНАЯ РАМА (ДЛЯ ЯПОН.) (ДЛЯ АЗИИ) ХОДОВАЯ
FIT
1:1
100%

Артикул

Название

Примечание

Количество

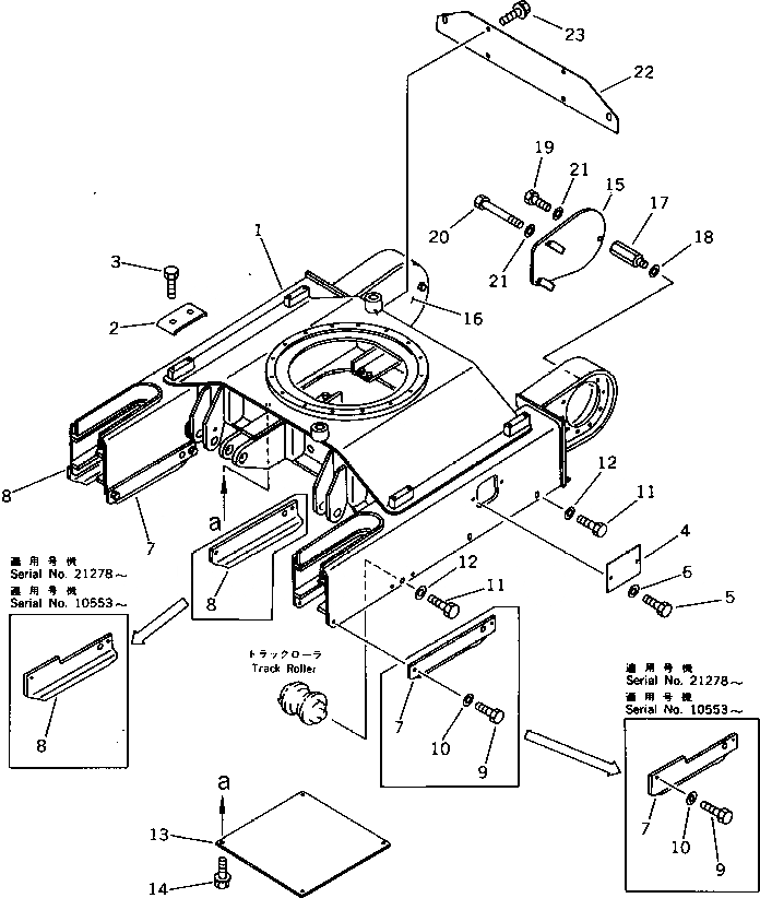
1

20P-30-11512

FRAME,TRACK

|1

20P-30-17710

FRAME,TRACK(TILT BLADE)

|1

20P-30-11511

FRAME,TRACK

2

20R-30-11190

PLATE

3

01010-51225

BOLT

4

20N-30-41240

COVER

5

01010-51020

BOLT

6

01643-31032

WASHER

7

20N-30-41712

GUARD,L.H. OUTER AND R.H. INNER

|7

20N-30-41711

GUARD,L.H. OUTER AND R.H. INNER

8

20N-30-41722

GUARD,L.H. INNER AND R.H. OUTER

|8

20N-30-41721

GUARD,L.H. INNER AND R.H. OUTER

9

01010-51430

BOLT

10

01643-31445

WASHER

11

01010-51430

BOLT

12

01643-31445

WASHER

13

20N-30-41291

COVER

14

01435-01020

BOLT

15

20N-30-41652

COVER,L.H.

|15

20N-30-41651

COVER,L.H.

16

20N-30-41662

COVER,R.H.

|16

20N-30-41661

COVER,R.H.

17

20N-30-41630

SPACER

18

01643-31232

WASHER

19

01010-51020

BOLT

20

01010-51085

BOLT

21

01643-31032

WASHER

22

20P-30-11760

COVER

23

01435-00816

BOLT

Выбрано товаров: 29