Запчасти Komatsu PC15-2 ПРУЖИНА ХОДОВАЯ

Схема запчастей Komatsu PC15-2 - ПРУЖИНА ХОДОВАЯ
FIT
1:1
100%

Артикул

Название

Примечание

Количество

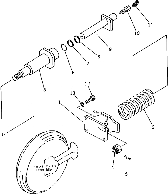
1

20N-30-41852

BRACKET

|1

20N-30-41851

BRACKET

|1

20N-30-41850

BRACKET

2

20R-30-21220

SPRING,RECOIL

3

20N-30-47810

CYLINDER

|3

20N-30-41515

CYLINDER

|3

20N-30-41812

CYLINDER

4

21U-30-11130

NUT

|4

01590-12226

NUT

5

04050-15045

PIN,COTTER

|5

04050-15040

PIN,COTTER

6

07000-13035

O-RING

7

20N-30-47830

RING,BACK-UP

|7

07001-03035

RING,BACK-UP

8

20N-30-41530

SEAL,DUST

9

20N-30-41822

ROD

10

20M-30-31240

VALVE

11

07020-00675

FITTING,GREASE

|11

07020-00900

FITTING,GREASE

12

01010-51235

BOLT

13

01643-51232

WASHER

Выбрано товаров: 0