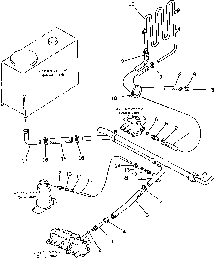
Запчасти Komatsu PC15-2 ГИДРОЛИНИЯ (КЛАПАН - БАК) УПРАВЛ-Е РАБОЧИМ ОБОРУДОВАНИЕМ

Схема запчастей Komatsu PC15-2 - ГИДРОЛИНИЯ (КЛАПАН - БАК) УПРАВЛ-Е РАБОЧИМ ОБОРУДОВАНИЕМ
FIT
1:1
100%

Артикул

Название

Примечание

Количество

1

20N-62-42335

NIPPLE

2

07002-12034

O-RING

3

07260-22628

HOSE

4

07281-00419

CLAMP

5

20N-62-44230

CONNECTOR

6

07002-12034

O-RING

7

07261-21411

HOSE

8

07261-21410

HOSE

9

07281-00259

CLAMP

10

20P-62-12720

TUBE,COOLER

11

07822-00406

TUBE

12

07836-00413

CONNECTOR

13

07831-00411

SLEEVE

14

07832-00410

NUT

15

07260-22622

HOSE

16

07281-00419

CLAMP

17

20N-62-44270

TUBE

18

08034-00536

BAND

Выбрано товаров: 18