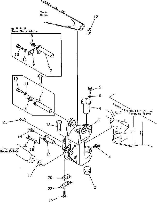
Запчасти Komatsu PC15-2 ПОВОРОТН. БЛОК (ДЛЯ ЯПОН.) (ДЛЯ АЗИИ)(№-) РАБОЧЕЕ ОБОРУДОВАНИЕ

Схема запчастей Komatsu PC15-2 - ПОВОРОТН. БЛОК (ДЛЯ ЯПОН.) (ДЛЯ АЗИИ)(№-) РАБОЧЕЕ ОБОРУДОВАНИЕ
FIT
1:1
100%

Артикул

Название

Примечание

Количество

|1

20P-70-17500

SWING BRACKET ASS'Y

|1

20P-70-14501

SWING BRACKET ASS'Y

1

BRACKET,SWING

|1

BRACKET,SWING

2

20N-70-44130

BUSHING

3

07020-00900

FITTING,GREASE

4

20P-70-14150

PIN

5

01010-51235

BOLT

6

01643-31232

WASHER

7

20P-70-17120

PIN

|7

20P-70-11520

PIN

8

07020-00000

FITTING,GREASE

9

20M-70-61120

PLATE

10

01010-51025

BOLT

|10

01010-51225

BOLT

11

01643-31032

WASHER

|11

01643-31232

WASHER

12

20R-70-11260

SPACER¤ 1.0MM

13

20N-70-41550

PIN

14

07020-00000

FITTING,GREASE

15

01010-51020

BOLT

16

01643-31032

WASHER

17

20N-70-41270

SPACER¤ 1.0MM

18

20N-70-44610

PIN

19

01010-51025

BOLT

20

20N-70-44260

LOCK

21

20N-70-41270

SPACER¤ 1.0MM

22

20N-70-44630

LOCK

Выбрано товаров: 0