Запчасти Komatsu PC150-1 ГУСЕНИЧНАЯ РАМА(№-) ХОДОВАЯ

Схема запчастей Komatsu PC150-1 - ГУСЕНИЧНАЯ РАМА(№-) ХОДОВАЯ
FIT
1:1
100%

Артикул

Название

Примечание

Количество

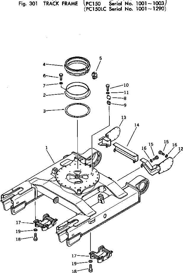
1

21K-30-11113

FRAME,TRACK

2

21K-30-12181

COVER

3

21K-30-12191

GASKET

4

21K-30-21160

SEAL

5

207-30-11560

SEAL

6

01010-51230

BOLT

7

01643-31232

WASHER

8

21K-30-12240

COVER

9

21K-30-12221

GASKET

10

01010-51230

BOLT

11

01643-31232

WASHER

12

21K-30-12310

COVER,L.H.

13

21K-30-12320

COVER,R.H.

14

21K-30-12330

COVER,CENTER

15

01010-51225

BOLT

16

01643-31232

WASHER

17

21K-30-12230

GUARD

18

01010-51645

BOLT

19

01643-31645

WASHER

Выбрано товаров: 19