Запчасти Komatsu PC150-1 ПАНЕЛЬ ПРИБОРОВ (/) КОМПОНЕНТЫ ДВИГАТЕЛЯ И ЭЛЕКТРИКА

Схема запчастей Komatsu PC150-1 - ПАНЕЛЬ ПРИБОРОВ (/) КОМПОНЕНТЫ ДВИГАТЕЛЯ И ЭЛЕКТРИКА
FIT
1:1
100%

Артикул

Название

Примечание

Количество

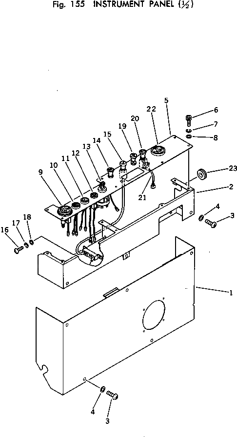
1

21K-06-11121

COVER

2

205-06-62421

COVER

3

01220-40816

SCREW

4

01643-30823

WASHER

5

21K-06-11150

PANEL

6

205-06-62170

BOLT

7

205-06-62180

WASHER,SPRING

8

205-06-62190

WASHER

9

208-06-11280

GAUGE,WATER TEMPERATURE

10

125-06-22210

LAMP,OIL PRESSURE

|10

08111-02430

BULB¤ 3W

11

125-06-22220

LAMP,CHARGE

|11

08111-02430

BULB¤ 3W

12

600-815-2371

SIGNAL,HEATER

13

08086-10000

SWITCH,STARTING

14

08061-40010

SWITCH,LAMP

15

195-822-6151

LIGHTER

16

01220-40412

SCREW

17

01601-20410

WASHER,SPRING

18

01642-20405

WASHER

19

09481-02400

SWITCH,HEATER

20

08183-00000

SWITCH,WIPER

|20

205-06-61160

SWITCH,WIPER (WITH WASHER SWITCH)

21

205-06-61290

WIRE ASS'Y

22

08687-22402

METER,SERVICE

23

08037-02512

GROMMET

Выбрано товаров: 0