Запчасти Komatsu PC150-1 МЕХ-М ОТБОРА МОЩНОСТИ КОМПОНЕНТЫ ДВИГАТЕЛЯ И ЭЛЕКТРИКА

Схема запчастей Komatsu PC150-1 - МЕХ-М ОТБОРА МОЩНОСТИ КОМПОНЕНТЫ ДВИГАТЕЛЯ И ЭЛЕКТРИКА
FIT
1:1
100%

Артикул

Название

Примечание

Количество

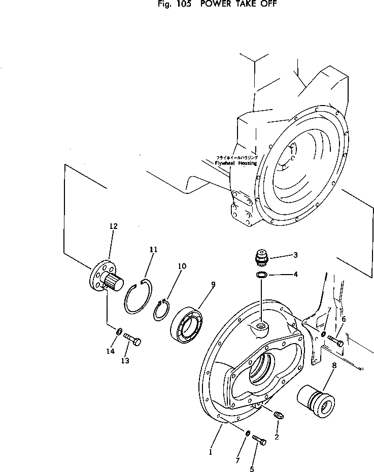
1

21K-01-11140

COVER

2

07042-20108

PLUG

3

07030-03034

BREATHER

4

07005-03016

GASKET

5

01010-51040

BOLT

6

01010-51045

BOLT

7

01643-31032

WASHER

8

21K-01-11130

COUPLING

9

06045-06214

BEARING,BALL

10

04064-07025

RING,SNAP

11

04071-00125

RING,SNAP

12

21K-01-11121

SHAFT

13

01050-31450

BOLT

14

6110-11-1620

WASHER

Выбрано товаров: 0