Запчасти Komatsu PC150-3 ПАНЕЛЬ ПРИБОРОВ (ДЛЯ WRIST УПРАВЛ-Е) (АВТОМ. ЗАМЕДЛЕНИЕ ОБОРОТОВ¤ПОВОРОТН. МЕХАНИЧ. ТОРМОЗ.)(№87-) КОМПОНЕНТЫ ДВИГАТЕЛЯ И ЭЛЕКТРИКА

Схема запчастей Komatsu PC150-3 - ПАНЕЛЬ ПРИБОРОВ (ДЛЯ WRIST УПРАВЛ-Е) (АВТОМ. ЗАМЕДЛЕНИЕ ОБОРОТОВ¤  ПОВОРОТН. МЕХАНИЧ. ТОРМОЗ.)(№87-) КОМПОНЕНТЫ ДВИГАТЕЛЯ И ЭЛЕКТРИКА
FIT
1:1
100%

Артикул

Название

Примечание

Количество

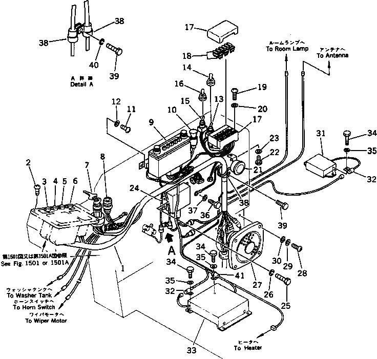
1

21K-06-21162

WIRE ASS'Y

1

21K-06-21161

WIRE ASS'Y

1

22W-06-13590

DIODE

2

01220-40616

SCREW

3

205-06-71311

SWITCH,MODE

4

205-06-71321

SWITCH,HEATER

5

205-06-71331

SWITCH,LAMP

6

205-06-71341

SWITCH,WIPER

7

201-06-21510

SWITCH,STARTER

8

203-06-41810

LAMP

8

08111-02430

BULB, 3W

9

203-06-42110

RADIO

9

20G-06-15111

RADIO

10

203-06-41930

LIGHTER

11

01220-40412

SCREW

12

01601-20410

WASHER,SPRING

13

203-06-41570

SWITCH,AUTO DECELERATION

14

203-06-41610

CAP

15

203-06-41570

SWITCH,SWING BRAKE

16

203-06-41680

CAP

17

205-06-71480

FUSE BOX

18

205-06-73180

FUSE, 15A

19

01220-40616

SCREW

20

01643-30623

WASHER

21

203-06-41920

BUZZER

22

01220-50612

SCREW

23

01602-20619

WASHER,SPRING

24

7861-72-3000

CONTROLLER ASS'Y

25

01010-50616

BOLT

26

01602-20619

WASHER,SPRING

27

20G-06-15120

SPEAKER

28

01220-40420

SCREW

29

01601-20410

WASHER,SPRING

30

01641-20405

WASHER

31

203-06-41790

RESISTOR

32

08036-01814

CLIP

33

21K-06-21150

BOX

34

01010-50816

BOLT

35

01643-30823

WASHER

36

01010-50610

BOLT

37

01602-20619

WASHER,SPRING

38

08036-01814

CLIP

38

08036-01814

CLIP

39

01010-51016

BOLT

39

01010-51016

BOLT

40

01602-21030

WASHER,SPRING

41

08036-03014

CLIP

Выбрано товаров: 47