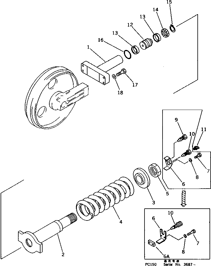
Запчасти Komatsu PC150-3 ПРУЖИНА ХОДОВАЯ

Схема запчастей Komatsu PC150-3 - ПРУЖИНА ХОДОВАЯ
FIT
1:1
100%

Артикул

Название

Примечание

Количество

1

21K-30-24110

YOKE

2

21K-30-21421

CYLINDER

2

21K-30-21420

CYLINDER

3

21K-30-24130

PILOT

4

21K-30-24140

SPRING,RECOIL

5

203-30-34220

NUT

6

203-30-42251

LOCK

6

203-30-42250

LOCK

6A

201-30-52280

SEAT

7

01010-50830

BOLT

7

01010-51020

BOLT

8

01643-30823

WASHER

8

01643-31032

WASHER

9

203-30-34240

CAP

10

203-30-42260

VALVE

10

201-30-14280

LUBRICATOR

11

07020-00900

FITTING,GREASE

12

203-30-42220

PISTON

13

07155-00720

RING,WEAR

14

09370-00070

U-PACKING

15

04064-04518

RING,SNAP

16

07000-05070

O-RING

17

01010-51685

BOLT

17

01010-51470

BOLT

18

01643-31645

WASHER

18

01643-31445

WASHER

Выбрано товаров: 26