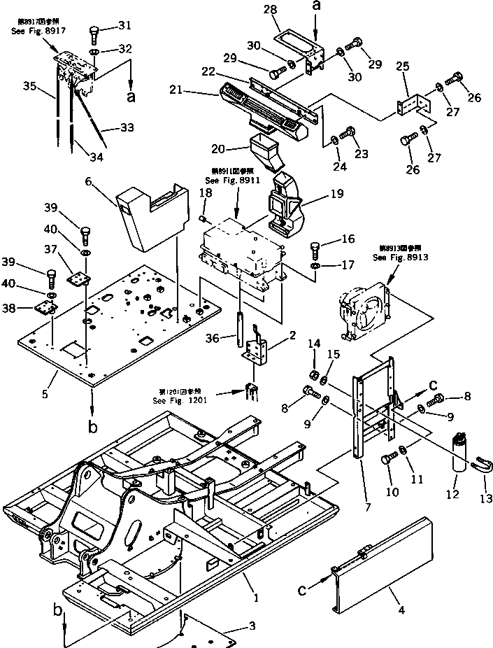
Запчасти Komatsu PC150-3 ВОЗДУХОВОД И КОМПОНЕНТЫ КОНДИЦИОНЕРА (ДЛЯ WRIST УПРАВЛ-Е) ОПЦИОННЫЕ КОМПОНЕНТЫ

Схема запчастей Komatsu PC150-3 - ВОЗДУХОВОД И КОМПОНЕНТЫ КОНДИЦИОНЕРА (ДЛЯ WRIST УПРАВЛ-Е) ОПЦИОННЫЕ КОМПОНЕНТЫ
FIT
1:1
100%

Артикул

Название

Примечание

Количество

1

21K-979-2190

FRAME,REVOLVING

2

21K-979-2210

BRACKET

3

21K-979-2220

COVER

4

21K-979-2230

COVER

5

21K-979-2250

FRAME,FLOOR

6

21K-979-2270

BOX,L.H.

7

21K-979-2130

BRACKET

8

01010-51025

BOLT

9

01643-31032

WASHER

10

01010-51225

BOLT

11

01643-31232

WASHER

12

198-911-4610

TANK,DRYER

13

205-979-1230

CLIP

14

01599-01011

NUT

15

01643-31032

WASHER

16

01010-51225

BOLT

17

01643-31232

WASHER

18

195-979-4160

BUSHING

19

205-979-6120

DUCT

20

205-979-6140

DUCT

21

205-979-6130

DUCT

22

205-979-6171

BRACKET

23

01010-50812

BOLT

24

01602-20825

WASHER,SPRING

25

205-979-1240

BRACKET

26

01010-50816

BOLT

27

01602-20825

WASHER,SPRING

28

205-979-1250

BRACKET

29

01010-50816

BOLT

30

01602-20825

WASHER,SPRING

31

01010-50816

BOLT

32

01602-20825

WASHER,SPRING

33

205-979-1150

CABLE,HEATER

34

205-979-1160

CABLE,COOLER

35

205-979-1170

CABLE,MODE

36

205-979-6350

HOSE,DRAIN

37

205-979-1310

BRACKET,L.H.

38

205-979-1320

BRACKET,R.H.

39

01010-51055

BOLT

40

01643-31032

WASHER

Выбрано товаров: 0