Запчасти Komatsu PC150-3 ПАНЕЛЬ ПРИБОРОВ (ДЛЯ WRIST УПРАВЛ-Е) (АВТОМ. ЗАМЕДЛЕНИЕ ОБОРОТОВ¤ПОВОРОТН. МЕХАНИЧ. ТОРМОЗ.)(№-8) КОМПОНЕНТЫ ДВИГАТЕЛЯ И ЭЛЕКТРИКА

Схема запчастей Komatsu PC150-3 - ПАНЕЛЬ ПРИБОРОВ (ДЛЯ WRIST УПРАВЛ-Е) (АВТОМ. ЗАМЕДЛЕНИЕ ОБОРОТОВ¤  ПОВОРОТН. МЕХАНИЧ. ТОРМОЗ.)(№-8) КОМПОНЕНТЫ ДВИГАТЕЛЯ И ЭЛЕКТРИКА
FIT
1:1
100%

Артикул

Название

Примечание

Количество

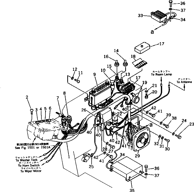
1

21K-06-21160

WIRE ASS'Y

|1

22W-06-13590

DIODE

2

01220-40616

SCREW

3

205-06-71311

SWITCH,MODE

4

205-06-71321

SWITCH,HEATER

5

205-06-71331

SWITCH,LAMP

6

205-06-71341

SWITCH,WIPER

7

201-06-21510

SWITCH,STARTING

8

203-06-41810

LAMP

|8

08111-02430

BULB¤ 3W

9

203-06-42110

RADIO

|9

20G-06-15111

RADIO

|9

20G-06-15110

RADIO

10

203-06-41930

LIGHTER

|10

195-822-6151

LIGHTER

11

01220-40412

SCREW

12

01601-20410

WASHER,SPRING

13

203-06-41570

SWITCH,AUTO DECELERATION

14

203-06-41610

CAP

15

203-06-41570

SWITCH,SWING BRAKE

16

203-06-41680

CAP

17

203-06-41540

BOX,FUSE

18

08040-01000

FUSE¤ 10A

|18

08040-02000

FUSE¤ 20A

|18

08040-03000

FUSE¤ 30A

|18

08040-04000

FUSE¤ 40A

19

203-06-41920

BUZZER

|19

175-06-51210

BUZZER

20

01220-50612

SCREW

21

01602-20619

WASHER,SPRING

22

22W-06-13450

RELAY ASS'Y

23

01010-50612

BOLT

24

01602-20619

WASHER,SPRING

25

08036-10814

CLIP

26

7861-72-3000

CONTROLLER ASS'Y

|26

7861-01-3000

CONTROLLER ASS'Y

27

01010-50616

BOLT

|27

01010-50612

BOLT

28

01602-20619

WASHER,SPRING

29

20G-06-15120

SPEAKER

30

01220-40420

SCREW

31

01601-20410

WASHER,SPRING

32

01641-20405

WASHER

33

203-06-41790

RESISTOR

34

08036-01814

CLIP

35

21K-06-21150

BOX

36

01010-50816

BOLT

37

01643-30823

WASHER

38

01010-50610

BOLT

39

01602-20619

WASHER,SPRING

40

08036-01814

CLIP

41

01010-51016

BOLT

42

01602-21030

WASHER,SPRING

Выбрано товаров: 53