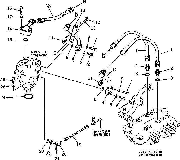
Запчасти Komatsu PC150-3 ГИДРОЛИНИЯ (КЛАПАН TO/FROM МОТОР ПОВОРОТА) (С ПОВОРОТН. МЕХАНИЧ. ТОРМОЗ.) ПОВОРОТН. И СИСТЕМА УПРАВЛЕНИЯ

Схема запчастей Komatsu PC150-3 - ГИДРОЛИНИЯ (КЛАПАН TO/FROM МОТОР ПОВОРОТА) (С ПОВОРОТН.     МЕХАНИЧ. ТОРМОЗ.) ПОВОРОТН. И СИСТЕМА УПРАВЛЕНИЯ
FIT
1:1
100%

Артикул

Название

Примечание

Количество

1

07121-00606

HOSE

2

07230-10628

UNION

3

07002-12434

O-RING

4

21K-62-21461

TUBE

5

21K-62-21451

TUBE

6

07000-13030

O-RING

7

01010-50855

BOLT

8

01010-50840

BOLT

9

01602-20825

WASHER,SPRING

10

21K-62-21770

PLATE

11

07283-22738

CLIP

12

01599-01011

NUT

13

01643-31032

WASHER

14

21K-62-21421

TUBE

15

07000-03045

O-RING

16

01010-51260

BOLT

17

01602-21236

WASHER,SPRING

18

07102-21003

HOSE

19

21K-62-21570

HOSE

20

07233-20210

ELBOW

21

07042-00108

PLUG

22

07239-11408

NUT

23

07002-01423

O-RING

24

07000-02110

O-RING

25

01010-52060

BOLT

26

01643-32060

WASHER

Выбрано товаров: 26