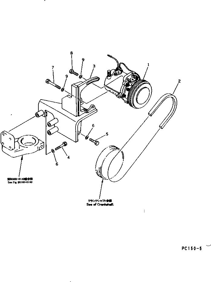
Запчасти Komatsu PC150-5 КОМПРЕССОР И КРЕПЛЕНИЕ(№-8) КАБИНА ОПЕРАТОРА И СИСТЕМА УПРАВЛЕНИЯ

Схема запчастей Komatsu PC150-5 - КОМПРЕССОР И КРЕПЛЕНИЕ(№-8) КАБИНА ОПЕРАТОРА И СИСТЕМА УПРАВЛЕНИЯ
FIT
1:1
100%

Артикул

Название

Примечание

Количество

1

203-978-5540

COMPRESSOR

2

04120-21745

V-BELT

3

21K-978-3110

BRACKET

4

203-978-5350

BOLT

5

01010-51075

BOLT

6

01643-31032

WASHER

7

01011-51020

BOLT

8

01010-51030

BOLT

9

01643-31032

WASHER

Выбрано товаров: 9