Запчасти Komatsu PC150-5 ПАНЕЛЬ ПРИБОРОВ (ДЛЯ УДЛИНН. РЫЧАГ УПРАВЛ-Е)(№-898) КАБИНА ОПЕРАТОРА И СИСТЕМА УПРАВЛЕНИЯ

Схема запчастей Komatsu PC150-5 - ПАНЕЛЬ ПРИБОРОВ (ДЛЯ УДЛИНН. РЫЧАГ УПРАВЛ-Е)(№-898) КАБИНА ОПЕРАТОРА И СИСТЕМА УПРАВЛЕНИЯ
FIT
1:1
100%

Артикул

Название

Примечание

Количество

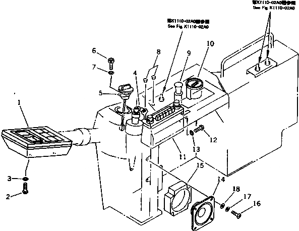
1

7824-70-2101

PANEL,(SEE FIG.K1110-08A0)

|1

7824-70-2100

PANEL,(SEE FIG.K1110-08A0)

2

01220-70620

SCREW

3

01642-40608

WASHER

4

08086-20000

SWITCH,STARTING

5

7825-30-1301

DIAL,FUEL

6

01252-40410

BOLT

7

01601-20410

WASHER,SPRING

8

203-06-56530

PLUG

9

08913-02400

LIGHTER,CIGARETTES

10

203-06-56240

SERVICE METER ASS'Y

11

08911-02400

RADIO

12

01220-40510

SCREW

13

01642-20508

WASHER

14

08910-10000

SPEAKER

15

203-06-56560

SHEET

16

01220-40408

SCREW

17

01601-20410

WASHER,SPRING

18

01642-20405

WASHER

Выбрано товаров: 19