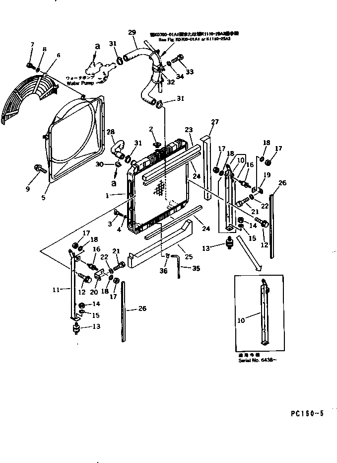
Запчасти Komatsu PC150-5 РАДИАТОР И ТРУБЫ СИСТЕМА ОХЛАЖДЕНИЯ

Схема запчастей Komatsu PC150-5 - РАДИАТОР И ТРУБЫ СИСТЕМА ОХЛАЖДЕНИЯ
FIT
1:1
100%

Артикул

Название

Примечание

Количество

1

21K-03-33410

RADIATOR ASS'Y

1

21K-03-33110

RADIATOR ASS'Y

2

201-03-51310

CAP

2

21K-03-33330

CAP

3

205-03-62660

PLUG

4

07000-11007

O-RING

4

07000-01007

O-RING

5

21K-03-33152

SHROUD

5

21K-03-33151

SHROUD

6

21K-03-33280

NET

7

01010-81025

BOLT

7

01010-51025

BOLT

8

01643-31032

WASHER

9

01435-20814

BOLT

10

21K-03-33133

BRACKET,L.H.

10

21K-03-33132

BRACKET,L.H.

10

21K-03-33131

BRACKET,L.H.

11

21K-03-33142

BRACKET,R.H.

11

21K-03-33141

BRACKET,R.H.

12

01435-20814

BOLT

13

21K-03-33290

CUSHION

14

01580-11210

NUT

15

01643-31232

WASHER

16

203-03-56340

CUSHION

17

01580-10806

NUT

18

01643-30823

WASHER

19

21K-03-33320

PLATE

20

21K-54-33280

PLATE

21

01010-81025

BOLT

21

01010-51025

BOLT

22

01643-31032

WASHER

23

21K-03-33310

SHEET

24

21K-03-33161

SHEET

24

21K-03-33160

SHEET

25

21K-03-33262

SHEET

25

21K-03-33261

SHEET

26

20Y-03-11241

SEAL

27

21K-03-33241

SHEET

28

21K-03-33192

HOSE

28

21K-03-33191

HOSE

29

21K-03-33213

HOSE

29

21K-03-33212

HOSE

30

207-09-11110

CLAMP

31

208-09-11110

CLAMP

32

21K-03-11190

CLIP

33

01010-81016

BOLT

33

01010-51016

BOLT

34

01643-31032

WASHER

35

203-03-41410

HOSE

36

20Y-03-11330

CLIP

Выбрано товаров: 50