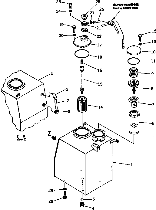
Запчасти Komatsu PC150-5 ГИДР. БАК. ГИДРАВЛИКА

Схема запчастей Komatsu PC150-5 - ГИДР. БАК. ГИДРАВЛИКА
FIT
1:1
100%

Артикул

Название

Примечание

Количество

|$2

21K-60-00070

TANK ASS'Y,HYDRAULIC

1

TANK

2

203-60-31160

TUBE

3

203-60-31100

ELBOW ASS'Y

4

07044-12412

PLUG

5

07002-02434

O-RING

6

07063-01100

ELEMENT

7

203-60-52260

STRAINER

8

203-60-52250

VALVE ASS'Y

9

175-60-27340

SPRING

10

203-60-52230

PLATE

11

07000-15155

O-RING

11

07000-05155

O-RING

12

01010-81025

BOLT

12

01010-51025

BOLT

13

01643-31032

WASHER

14

203-60-56250

STRAINER

15

21K-60-33120

ROD

16

12R-60-11230

SPRING

17

21K-60-33130

COVER

18

07000-15180

O-RING

18

07000-05180

O-RING

19

01010-81025

BOLT

19

01010-51025

BOLT

20

01643-31032

WASHER

21

201-60-12171

FILLER NECK

22

20Y-60-21340

GASKET

22

205-60-51460

GASKET

23

01252-70516

BOLT

23

01220-40516

SCREW

24

01601-20513

WASHER,SPRING

25

201-60-12190

CAP ASS'Y

26

07270-00895

TUBE

27

07280-01110

CLAMP

28

01010-81440

BOLT

28

01010-51440

BOLT

29

01643-31445

WASHER

Выбрано товаров: 37