Запчасти Komatsu PC150-6K ВСАСЫВ. ЛИНИЯ(№K-) ГИДРАВЛИКА

Схема запчастей Komatsu PC150-6K - ВСАСЫВ. ЛИНИЯ(№K-) ГИДРАВЛИКА
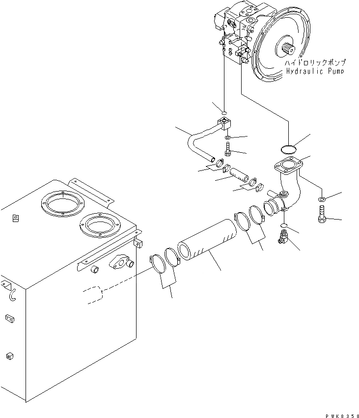
1
2
3
4
5
6
7
8
9
10
11
12
12
13
14
14
FIT
1:1
100%

Артикул

Название

Примечание

Количество

1

21P-62-K3371

TUBE

|1

21P-62-K3370

TUBE

2

07000-02085

O-RING

3

203-62-32950

ELBOW

4

07002-12434

O-RING

5

01010-61640

BOLT

6

01643-31645

WASHER

7

21P-62-K1782

TUBE

|7

21P-62-K1781

TUBE

8

20E-62-K2830

O-RING

9

01010-80655

BOLT

10

01643-30623

WASHER

11

07260-02612

HOSE

12

207-09-11110

CLAMP

13

21P-62-K3380

HOSE

14

20D-09-11130

CLAMP

Выбрано товаров: 16