Запчасти Komatsu PC150HD-5K МАРКИРОВКА (ПОРТУГАЛ.)(№K-K7) МАРКИРОВКА¤ ИНСТРУМЕНТ И РЕМКОМПЛЕКТЫ

Схема запчастей Komatsu PC150HD-5K - МАРКИРОВКА (ПОРТУГАЛ.)(№K-K7) МАРКИРОВКА¤ ИНСТРУМЕНТ И РЕМКОМПЛЕКТЫ
FIT
1:1
100%

Артикул

Название

Примечание

Количество

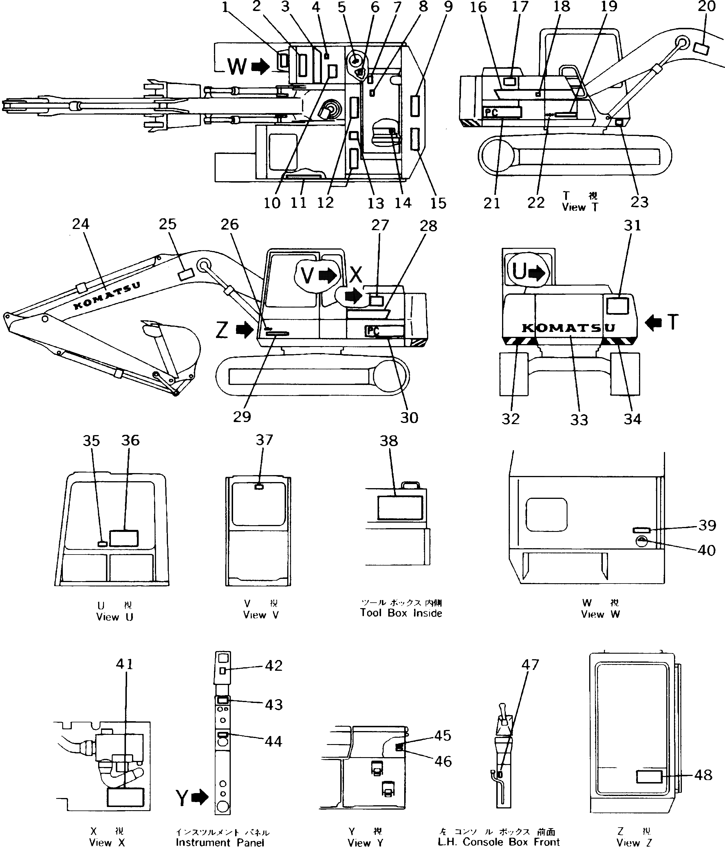
1

203-00-51170

SEAT,NONSKID

2

154-54-23260

SEAT,NONSKID

3

20Y-00-K1620

PLATE¤ MARK,LINE

4

20Y-00-K1150

PLATE¤ CAUTION,FUEL

5

20Y-00-K1380

PLATE¤ CAUTION,HYDRAULIC TANK CAP

6

20Y-00-K1170

PLATE¤ SAFETY,HYDRAULIC TANK CAP

7

205-00-66130

PLATE¤ SAFETY

8

20Y-00-K1180

PLATE¤ SAFETY,ENGINE COVER

9

154-54-23260

SEAT,NONSKID

10

203-00-51170

SEAT,NONSKID

11

20Y-00-K1580

SEAT,NONSKID

12

154-54-23260

SEAT,NONSKID

13

20Y-00-K1190

PLATE¤ INSTRUCTION,RADIATOR

14

20Y-00-K1390

PLATE¤ SAFETY,RADIATOR CAP

15

154-54-23260

SEAT,NONSKID

16

205-00-K1160

PLATE¤ SAFETY

17

20Y-00-K1610

PLATE¤ MARK,LINE

18

203-00-31120

PLATE¤ INSTRUCTION,HYDRAULIC OIL LEVEL

19

09690-50400

PLATE¤ MARK,KOMATSU

20

205-00-K1160

PLATE¤ SAFETY

21

203-00-56520

PLATE¤ MARK,PC150HD

|21

203-00-56530

PLATE¤ MARK,PC150NHD

22

09694-50125

PLATE¤ MARK,SYMBOL

23

205-00-K1120

PLATE¤ NAME,(LIMITED SUPPLY)

|23

205-00-72430

RIVET

24

205-00-63171

PLATE¤ MARK,KOMATSU

25

205-00-K1160

PLATE¤ SAFETY

26

09694-50125

PLATE¤ MARK,SYMBOL

27

205-00-K1160

PLATE¤ SAFETY

28

20Y-00-K1590

PLATE¤ MARK,LINE

29

09690-50400

PLATE¤ MARK,KOMATSU

30

203-00-56520

PLATE¤ MARK,PC150HD

|30

203-00-56530

PLATE¤ MARK,PC150NHD

31

20Y-00-K1650

PLATE¤ CAUTION,KEEP OUT OF TURNING AREA

32

20Y-00-K1550

STRIPE,L.H.

33

205-00-K1310

PLATE¤ MARK,KOMATSU

34

20Y-00-K1540

STRIPE,R.H.

35

20Y-00-K1110

PLATE¤ OPERATING,WORK EQUIPMENT

36

20Y-00-K1210

PLATE¤ CAUTION,WARNINGS

37

205-00-K1250

PLATE¤ CAUTION,AUTO LOCK

38

203-00-56540

CHART¤ OIL

39

09685-00004

PLATE¤ OPERATING,LOCK

40

203-00-52290

PLATE¤ OPERATING,LOCK

41

20Y-00-K1120

PLATE¤ INSTRUCTION,AIR CLEANER

42

203-00-56550

PLATE,AUTO DECEL-LESS

43

20Y-00-K1480

PLATE¤ OPERATING,SWING PARKING BRAKE

44

20Y-00-K1140

PLATE¤ OPERATING,FUEL CONTROL

45

20Y-00-K1420

PLATE¤ OPERATING,T.V.C. PROLIX

46

20Y-00-K1430

PLATE¤ OPERATING,SWING PROLIX

47

09685-00002

PLATE¤ OPERATING,LOCK LEVER

48

205-00-66110

PLATE¤ OPERATING,WRIST CONTROL

Выбрано товаров: 51