Запчасти Komatsu PC150LC-1 ТОПЛ. БАК И ТОПЛИВОПРОВОД (СПЕЦ-Я TBG)(№9-) ОПЦИОННЫЕ КОМПОНЕНТЫ (СПЕЦ. APPLICATION ЧАСТИ)

Схема запчастей Komatsu PC150LC-1 - ТОПЛ. БАК И ТОПЛИВОПРОВОД (СПЕЦ-Я TBG)(№9-) ОПЦИОННЫЕ КОМПОНЕНТЫ (СПЕЦ. APPLICATION ЧАСТИ)
FIT
1:1
100%

Артикул

Название

Примечание

Количество

|$0

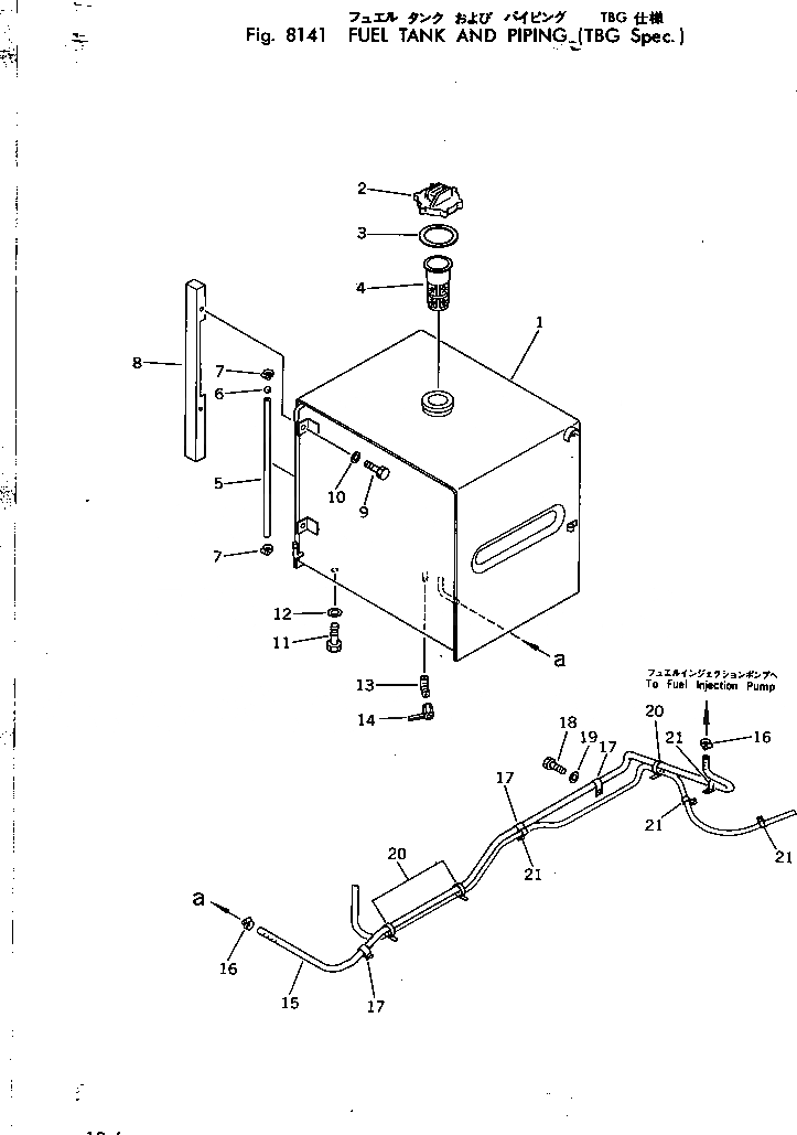
21K-04-00030

TANK ASS'Y

1

TANK

2

07091-01200

CAP

3

07050-21202

GASKET

4

07056-18416

STRAINER

5

21K-04-11131

TUBE

6

201-04-21160

BALL,FLOAT

7

07281-00197

CLAMP

8

21K-04-11170

COVER

9

01010-51220

BOLT

10

01643-31232

WASHER

11

01010-51635

BOLT

12

01643-31645

WASHER

13

07323-30200

ELBOW

14

07700-40240

VALVE

15

21K-04-11160

HOSE

16

07281-00197

CLAMP

17

6114-61-8550

CLAMP

18

01010-51025

BOLT

19

01643-31032

WASHER

20

08034-00519

BAND

21

08036-10814

CLIP,SMALL

Выбрано товаров: 22