Запчасти Komatsu PC150LC-1 ПОДДЕРЖИВАЮЩИЙ КАТОК(№-) ХОДОВАЯ

Схема запчастей Komatsu PC150LC-1 - ПОДДЕРЖИВАЮЩИЙ КАТОК(№-) ХОДОВАЯ
FIT
1:1
100%

Артикул

Название

Примечание

Количество

|$0

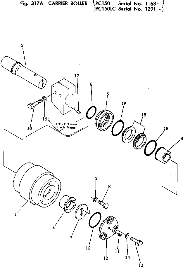
205-30-00045

CARRIER ROLLER ASS'Y

1

205-30-65592

ROLLER

2

205-30-65632

SHAFT

3

205-30-65681

BUSHING

4

205-30-65691

BUSHING

5

205-30-65532

COLLAR

6

07000-02055

O-RING

7

205-30-65740

PLATE

8

01010-51020

BOLT

9

01602-21030

WASHER,SPRING

10

205-30-65652

COVER

11

09043-00211

PLUG

12

07000-02075

O-RING

13

01010-51025

BOLT

14

01602-21030

WASHER,SPRING

|$15

140-30-00141

FLOATING SEAL ASS'Y

15

140-30-00401

SEAL RING ASS'Y

15

RING,SEAL

16

140-30-00411

O-RING ASS'Y

16

O-RING

17

155-30-15150

PIN

18

01010-52085

BOLT

19

01643-32060

WASHER

Выбрано товаров: 23