Запчасти Komatsu PC150LC-3 РАДИАТОР GURAD И ТРУБЫ КОМПОНЕНТЫ ДВИГАТЕЛЯ И ЭЛЕКТРИКА

Схема запчастей Komatsu PC150LC-3 - РАДИАТОР GURAD И ТРУБЫ КОМПОНЕНТЫ ДВИГАТЕЛЯ И ЭЛЕКТРИКА
FIT
1:1
100%

Артикул

Название

Примечание

Количество

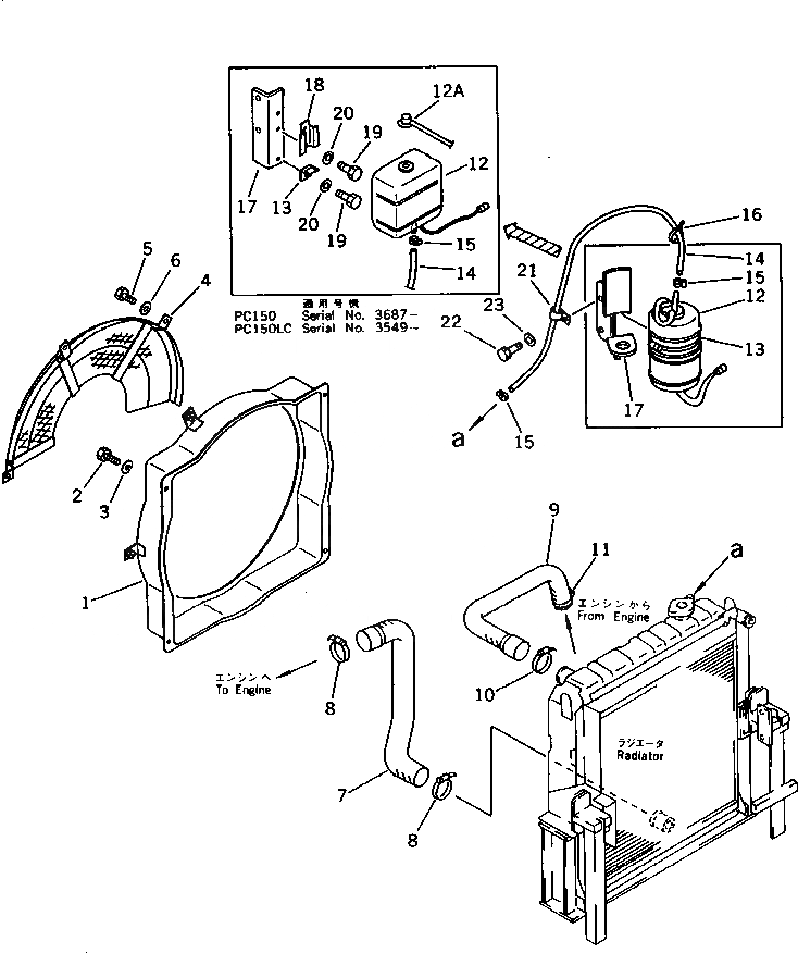
1

203-03-41131

SHROUD

2

01010-50816

BOLT

3

01643-30823

WASHER

4

203-03-41141

GUARD

5

01010-51025

BOLT

6

01643-31032

WASHER

7

203-03-41223

HOSE

8

07281-00609

CLAMP

9

203-03-41211

HOSE

10

07281-00609

CLAMP

11

07281-00489

CLAMP

12

203-03-41580

TANK,RESERVE

|12

203-03-41231

TANK,RESERVE

12A

203-03-41640

CAP

|12A

AM823040-7090

CAP,WITH TUBE

13

203-03-41630

PLATE

|13

07281-01469

CLAMP

14

203-03-41262

HOSE

|14

21K-03-12660

HOSE

15

206-03-43340

CLIP

|15

07285-00100

CLIP

16

08034-00519

BAND

17

21K-03-21590

BRACKET

|17

203-03-41360

BRACKET

18

203-03-41620

BRACKET

19

01010-50616

BOLT

20

01643-30623

WASHER

21

08036-11214

CLIP

|21

08036-11214

CLIP

22

01010-51025

BOLT

23

01643-31032

WASHER

Выбрано товаров: 31