Запчасти Komatsu PC150LC-3 ТРУБКИ КОНДИЦИОНЕРА (ОХЛАЖД-Е) ОПЦИОННЫЕ КОМПОНЕНТЫ

Схема запчастей Komatsu PC150LC-3 - ТРУБКИ КОНДИЦИОНЕРА (ОХЛАЖД-Е) ОПЦИОННЫЕ КОМПОНЕНТЫ
FIT
1:1
100%

Артикул

Название

Примечание

Количество

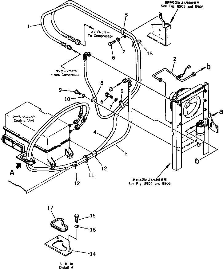
1

21K-979-2150

HOSE

2

21K-979-2180

TUBE

3

21K-979-2160

HOSE

4

21K-979-2170

HOSE

5

176-911-4180

CLIP

6

01010-51020

BOLT

7

01643-31032

WASHER

8

08036-22514

CLIP

9

01010-51020

BOLT

10

01643-31032

WASHER

11

203-06-41550

GROMMET

12

08034-00519

BAND

13

08034-00536

BAND

14

205-979-1270

COVER

15

01010-50820

BOLT

16

01602-20825

WASHER,SPRING

17

205-979-1280

SEAL

Выбрано товаров: 17