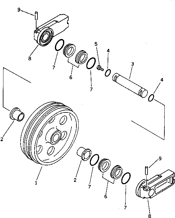
Запчасти Komatsu PC150LC-3 ПЕРЕДН. ЛЕНИВЕЦ(№-) ХОДОВАЯ

Схема запчастей Komatsu PC150LC-3 - ПЕРЕДН. ЛЕНИВЕЦ(№-) ХОДОВАЯ
FIT
1:1
100%

Артикул

Название

Примечание

Количество

|1

205-30-00182

FRONT IDLER ASS'Y

1

20Y-30-13120

IDLER

2

207-30-56140

BUSHING

3

20Y-30-13130

SHAFT

4

07000-02060

O-RING

5

07052-31624

PLUG

|6

20Y-30-00100

FLOATING SEAL ASS'Y

6

20Y-30-00110

SEAL RING ASS'Y

|6

RING,SEAL

7

20Y-30-00120

O-RING ASS'Y

|7

O-RING

8

205-30-73212

SUPPORT

9

205-30-76190

PIN

Выбрано товаров: 13