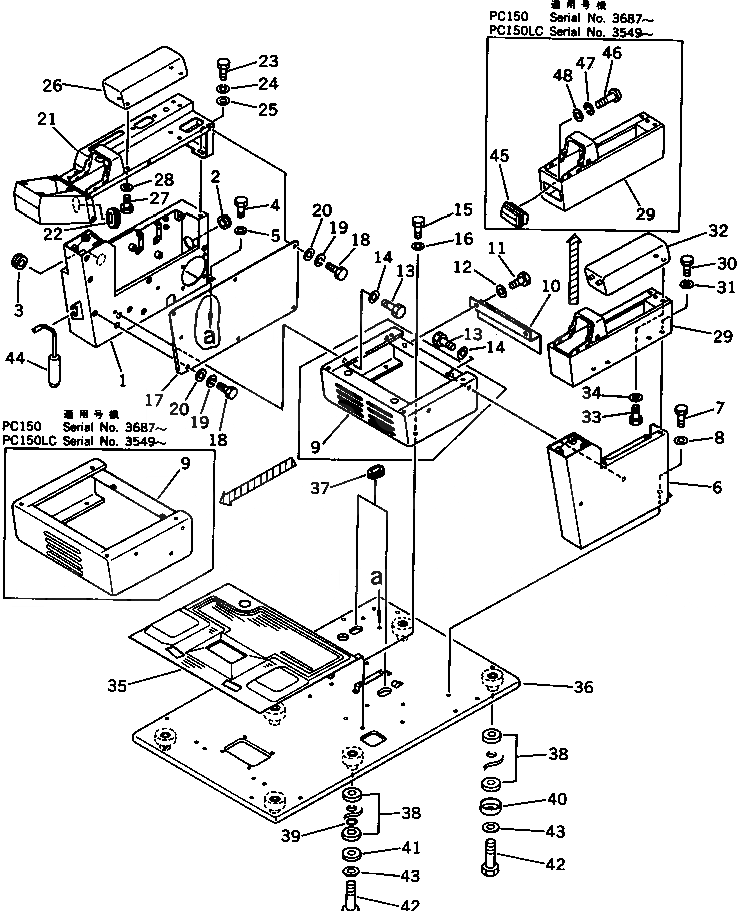
Запчасти Komatsu PC150LC-3 КАБИНА¤ ОСНОВН. КОНСТРУКЦИЯ (ДЛЯ WRIST УПРАВЛ-Е) ОСНОВНАЯ РАМА И КАБИНА

Схема запчастей Komatsu PC150LC-3 - КАБИНА¤ ОСНОВН. КОНСТРУКЦИЯ (ДЛЯ WRIST УПРАВЛ-Е) ОСНОВНАЯ РАМА И КАБИНА
FIT
1:1
100%

Артикул

Название

Примечание

Количество

1

203-54-41524

BOX,R.H.

|1

203-54-41523

BOX,R.H.

|1

21K-54-25540

BOX,R.H.

2

08037-03614

GROMMET

|2

08037-05016

GROMMET

3

08037-03614

GROMMET

4

01010-51225

BOLT

5

01643-31232

WASHER

6

203-54-41534

BOX,L.H.

|6

21K-54-25530

BOX,L.H.

7

01010-51225

BOLT

8

01643-31232

WASHER

9

203-54-41113

BRACKET

|9

21K-54-25560

BRACKET

10

21K-54-25211

COVER

|10

21K-54-25210

COVER

11

01010-51020

BOLT

12

01643-31032

WASHER

13

01010-51025

BOLT

14

01643-31032

WASHER

15

01010-51230

BOLT

16

01643-31232

WASHER

17

203-54-41193

COVER

|17

203-54-41192

COVER

18

01010-50612

BOLT

19

01602-20619

WASHER,SPRING

20

01640-20610

WASHER

21

203-54-41125

BOX,R.H.

|21

203-54-41122

BOX,R.H.

22

203-54-41570

GROMMET

23

01010-50820

BOLT

24

01602-20825

WASHER,SPRING

25

01643-30823

WASHER

26

203-54-41172

CUSHION,R.H.

27

01010-50820

BOLT

28

01602-20825

WASHER,SPRING

29

203-54-41134

BOX,L.H.

|29

203-54-41132

BOX,L.H.

30

01010-50820

BOLT

31

01602-20825

WASHER,SPRING

32

203-54-41182

CUSHION,L.H.

33

01010-50820

BOLT

34

01602-20825

WASHER,SPRING

35

203-54-41251

MAT,FLOOR

36

203-54-41145

FRAME,FLOOR

|36

21K-54-25511

FRAME,FLOOR

37

176-911-4160

GROMMET

38

203-54-21110

CUSHION

39

07000-03025

O-RING

40

201-54-21860

COLLAR

41

205-54-51950

PLATE

42

01010-51675

BOLT

43

01643-31645

WASHER

44

21K-54-25120

PIN

45

205-54-72240

ASHTRAY

46

01220-40410

SCREW

47

01601-20410

WASHER,SPRING

48

134-06-22130

WASHER

Выбрано товаров: 58