Запчасти Komatsu PC150LC-3 FALLING OBJECTIVE ЗАЩИТАIVE STRUCTURE ОПЦИОННЫЕ КОМПОНЕНТЫ

Схема запчастей Komatsu PC150LC-3 - FALLING OBJECTIVE ЗАЩИТАIVE STRUCTURE ОПЦИОННЫЕ КОМПОНЕНТЫ
FIT
1:1
100%

Артикул

Название

Примечание

Количество

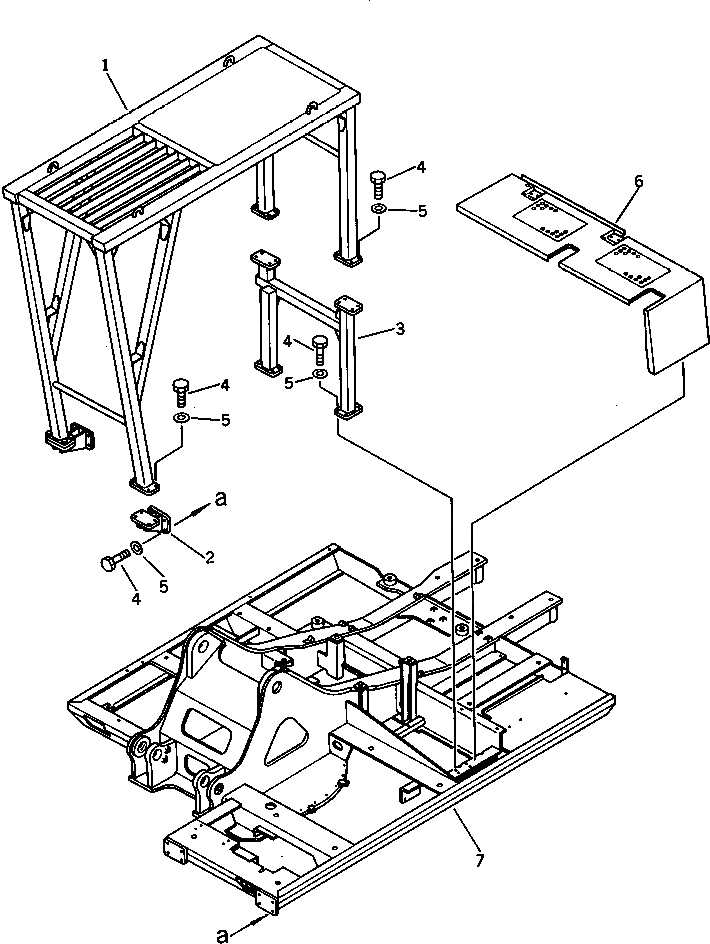
1

205-956-1110

GUARD

2

203-956-4120

BRACKET

3

21K-956-2110

BRACKET

4

01010-51640

BOLT

5

01643-31645

WASHER

6

21K-54-28141

COVER

7

21K-46-24120

FRAME,REVOLVING

Выбрано товаров: 7