Запчасти Komatsu PC150LC-3 ПАНЕЛЬ ПРИБОРОВ (СПЕЦ-Я TBG) МАРКИРОВКА¤ ИНСТРУМЕНТ И РЕМКОМПЛЕКТЫ

Схема запчастей Komatsu PC150LC-3 - ПАНЕЛЬ ПРИБОРОВ (СПЕЦ-Я TBG) МАРКИРОВКА¤ ИНСТРУМЕНТ И РЕМКОМПЛЕКТЫ
FIT
1:1
100%

Артикул

Название

Примечание

Количество

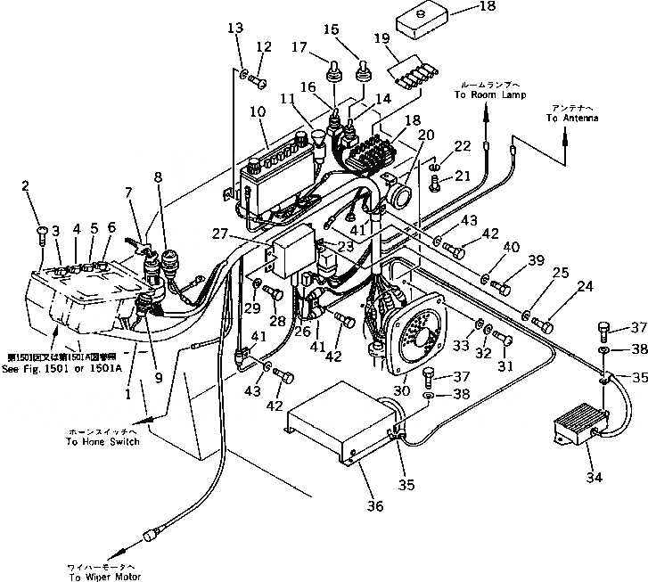
1

203-06-41750

WIRE ASS'Y

2

01220-40616

SCREW

3

205-06-71311

SWITCH,MODE

4

205-06-71321

SWITCH,HEATER

5

205-06-71331

SWITCH,LAMP

6

205-06-71341

SWITCH,WIPER

7

201-06-21510

SWITCH,STARTER

8

203-06-41810

LAMP

8

08111-02430

BULB, 3W

9

08147-22400

LAMP

9

08111-02430

BULB, 3W

10

20G-06-15110

RADIO

11

195-822-6151

LIGHTER

12

01220-40412

SCREW

13

01601-20410

WASHER,SPRING

14

203-06-41570

SWITCH,AUTO DECELERATION

15

203-06-41610

CAP

16

203-06-41570

SWITCH,SWING BRAKE

17

203-06-41680

CAP

18

203-06-41540

BOX,FUSE

19

08040-01000

FUSE, 10A

19

08040-02000

FUSE, 20A

19

08040-03000

FUSE, 30A

19

08040-04000

FUSE, 40A

20

175-06-51210

BUZZER

21

01220-50612

SCREW

22

01602-20619

WASHER,SPRING

23

22W-06-13450

RELAY ASS'Y

24

01010-50612

BOLT

25

01602-20619

WASHER,SPRING

26

22W-06-13590

DIODE

27

7861-01-3000

CONTROLLER ASS'Y

28

01010-50612

BOLT

29

01602-20619

WASHER,SPRING

30

20G-06-15120

SPEAKER

31

01220-40420

SCREW

32

01601-20410

WASHER,SPRING

33

01641-20405

WASHER

34

203-06-41790

RESISTOR

35

08036-01814

CLIP

36

203-06-41281

CONTROL BOX ASS'Y

37

01010-50816

BOLT

38

01643-30823

WASHER

39

01010-50610

BOLT

40

01602-20619

WASHER,SPRING

41

08036-01814

CLIP

42

01010-51016

BOLT

43

01602-21030

WASHER,SPRING

Выбрано товаров: 0