Запчасти Komatsu PC150LC-3 ПАНЕЛЬ ПРИБОРОВ (ДЛЯ WRIST УПРАВЛ-Е) (БЕЗ АВТОМ. ЗАМЕДЛЕНИЕ ОБОРОТОВ¤ ПОВОРОТН. МЕХАНИЧ. ТОРМОЗ.)(№-8) КОМПОНЕНТЫ ДВИГАТЕЛЯ И ЭЛЕКТРИКА

Схема запчастей Komatsu PC150LC-3 - ПАНЕЛЬ ПРИБОРОВ (ДЛЯ WRIST УПРАВЛ-Е) (БЕЗ АВТОМ. ЗАМЕДЛЕНИЕ ОБОРОТОВ¤ ПОВОРОТН. МЕХАНИЧ. ТОРМОЗ.)(№-8) КОМПОНЕНТЫ ДВИГАТЕЛЯ И ЭЛЕКТРИКА
FIT
1:1
100%

Артикул

Название

Примечание

Количество

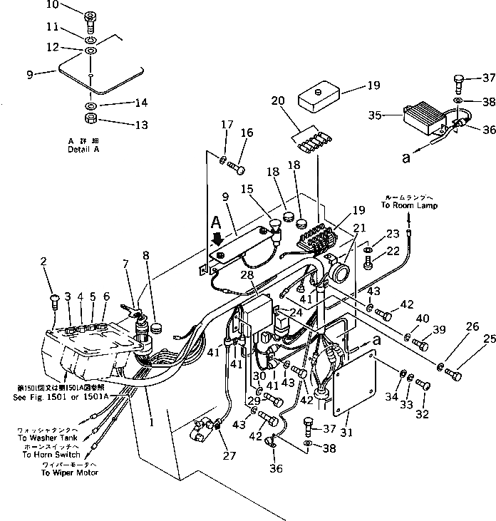
1

21K-06-21160

WIRE ASS'Y

1

22W-06-13590

DIODE

2

01220-40616

SCREW

3

205-06-71311

SWITCH,MODE

4

205-06-71321

SWITCH,HEATER

5

205-06-71331

SWITCH,LAMP

6

205-06-71341

SWITCH,WIPER

7

201-06-21510

SWITCH,STARTER

8

09415-01610

CAP

9

203-06-31160

PLATE

10

205-06-62170

BOLT

11

205-06-62180

WASHER,SPRING

12

205-06-62190

WASHER

13

01580-10403

NUT

14

145-Z79-6630

WASHER

15

203-06-41930

LIGHTER

15

195-822-6151

LIGHTER

16

01220-40412

SCREW

17

01601-20410

WASHER,SPRING

18

09415-00706

CAP

19

203-06-41540

BOX,FUSE

20

08040-01000

FUSE, 10A

20

08040-02000

FUSE, 20A

20

08040-03000

FUSE, 30A

20

08040-04000

FUSE, 40A

21

203-06-41920

BUZZER

21

175-06-51210

BUZZER

22

01220-50612

SCREW

23

01602-20619

WASHER,SPRING

24

22W-06-13450

RELAY ASS'Y

25

01010-50612

BOLT

26

01602-20619

WASHER,SPRING

27

08036-10814

CLIP

28

7861-72-3000

CONTROLLER ASS'Y

28

7861-01-3000

CONTROLLER ASS'Y

29

01010-50616

BOLT

29

01010-50612

BOLT

30

01602-20619

WASHER,SPRING

31

203-06-41840

PLATE

32

01220-40410

SCREW

33

01601-20410

WASHER,SPRING

34

01641-20405

WASHER

35

203-06-41790

RESISTOR

36

08036-01814

CLIP

37

01010-50816

BOLT

38

01643-30823

WASHER

39

01010-50610

BOLT

40

01602-20619

WASHER,SPRING

41

08036-01814

CLIP

42

01010-51016

BOLT

43

01602-21030

WASHER,SPRING

Выбрано товаров: 51