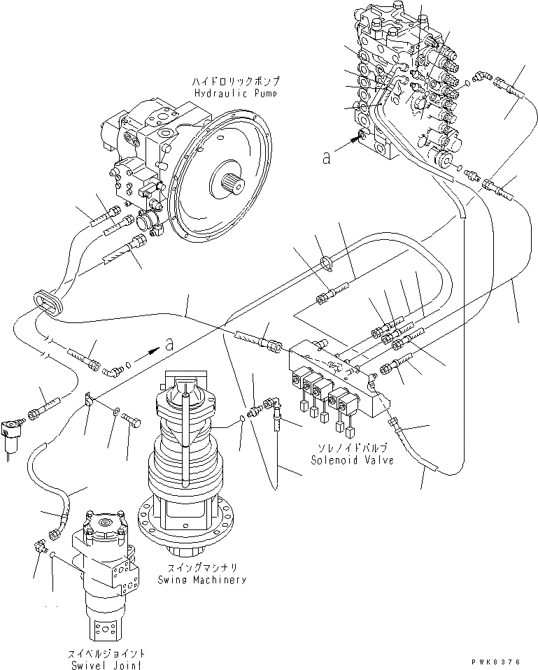
Запчасти Komatsu PC150LC-6K РАСПРЕДЕЛИТ. КЛАПАН ЛИНИЯ (СОЛЕНОИДНЫЙ КЛАПАН ТРУБЫ)(№K-) ГИДРАВЛИКА

Схема запчастей Komatsu PC150LC-6K - РАСПРЕДЕЛИТ. КЛАПАН ЛИНИЯ (СОЛЕНОИДНЫЙ КЛАПАН ТРУБЫ)(№K-) ГИДРАВЛИКА
1
1
2
2
3
3
4
4
5
5
6
6
7
8
8
9
10
10
11
11
12
12
13
14
15
16
17
18
19
20
21
21
21
21
22
22
22
22
23
23
24
24
FIT
1:1
100%

Артикул

Название

Примечание

Количество

1

07102-20208

HOSE

2

203-62-58520

MARK¤ A1

3

21P-62-K3030

HOSE

4

203-62-58530

MARK¤ A2

5

21P-62-K3040

HOSE

6

203-62-58140

MARK¤ A3

7

07102-20206

HOSE

8

21P-62-K1990

MARK¤ TS

9

07102-20409

HOSE

10

203-62-58220

MARK¤ T2

11

20E-62-K7680

HOSE

12

203-62-62360

MARK¤ A5

13

07235-10210

ELBOW

14

07002-11423

O-RING

15

04435-51512

CLIP

16

01010-81220

BOLT

17

01643-31232

WASHER

18

07238-10210

CONNECTOR

19

07002-11423

O-RING

20

08034-00414

BAND

21

21P-62-K4780

HOSE¤ 1100MM

|21

21P-62-K1850

HOSE¤ 1500MM

22

203-62-58150

MARK¤ A4

23

07230-20210

UNION

24

07002-11423

O-RING

Выбрано товаров: 25