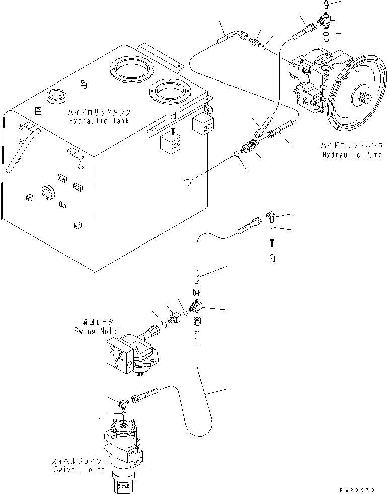
Запчасти Komatsu PC150LC-6K ВОЗВРАТН. ЛИНИЯ(№K-) ГИДРАВЛИКА

Схема запчастей Komatsu PC150LC-6K - ВОЗВРАТН. ЛИНИЯ(№K-) ГИДРАВЛИКА
1
2
3
4
5
6
7
8
9
10
11
11
12
12
13
14
15
16
17
18
FIT
1:1
100%

Артикул

Название

Примечание

Количество

1

20K-62-11360

TEE

2

07002-12434

O-RING

3

207-62-56270

ELBOW

4

07002-12434

O-RING

5

07102-20505

HOSE

6

21P-62-K2470

TEE

7

07002-12434

O-RING

8

07102-20513

HOSE

9

21P-62-K1792

ELBOW

|9

20E-62-K2850

WASHER

|9

20E-62-K2860

O-RING

10

20B-27-11210

BLEEDER

11

21P-62-K4730

HOSE

12

21P-62-K4720

HOSE

13

20E-62-K2790

CONNECTOR

14

20G-62-K1340

WASHER

15

21P-62-K1831

TEE

16

07002-12434

O-RING

17

07235-10522

ELBOW

18

07002-12434

O-RING

Выбрано товаров: 20