Запчасти Komatsu PC150NHD-5K ГИДР. ПРОВОД. ОБОГРЕВАТЕЛЯ (ВОЗД.) (ВЫСОК. ЕМК.) ЧАСТИ КОРПУСА

Схема запчастей Komatsu PC150NHD-5K - ГИДР. ПРОВОД. ОБОГРЕВАТЕЛЯ (ВОЗД.) (ВЫСОК. ЕМК.) ЧАСТИ КОРПУСА
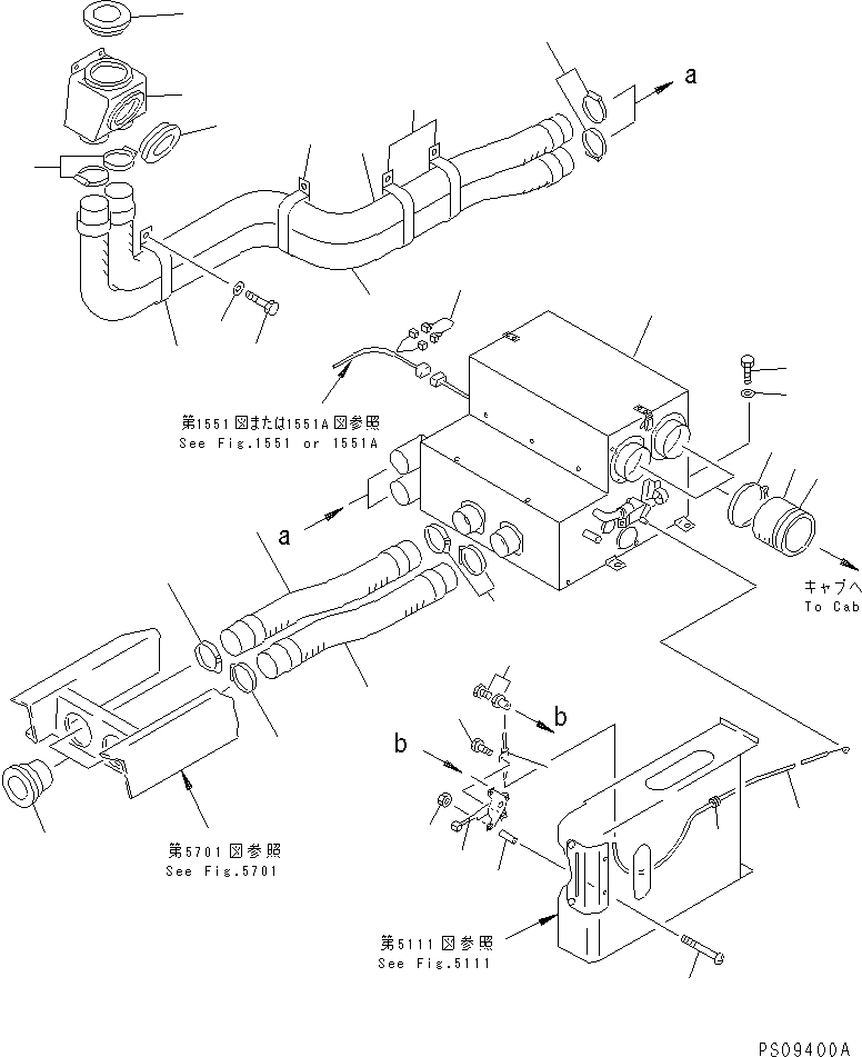
1
2
3
4
5
6
6
7
8
9
9
10
11
11
12
12
12
13
14
15
15
16
16
16
17
18
19
20
21
22
23
24
25
26
FIT
1:1
100%

Артикул

Название

Примечание

Количество

1

205-977-K253

HEATER ASS'Y

|1

205-977-K390

FILTER

2

01010-51225

BOLT

3

01643-31232

WASHER

4

20Y-06-K1160

WIRING HARNESS

5

20Y-977-K130

HOSE

6

07281-01159

CLAMP

7

20Y-977-K112

HOSE

8

20Y-977-K122

HOSE

9

07281-00809

CLAMP

10

20Y-54-K1140

DEMISTER

11

205-977-K220

VENT

12

20Y-43-K1150

CLIP

13

01010-50616

BOLT

14

01641-20608

WASHER

15

205-977-K191

HOSE

16

07281-00809

CLAMP

17

205-977-K380

VENT

18

205-977-K241

LEVER ASS'Y

19

205-977-K320

SPACER

20

01220-40440

SCREW

21

205-977-K330

CLIP

22

205-977-K340

BOLT

23

01580-00403

NUT

24

205-977-K231

CABLE

25

205-977-K290

TRUNNION

26

08037-01008

GROMMET

Выбрано товаров: 27