Запчасти Komatsu PC150NHD-5K ПАНЕЛЬ ПРИБОРОВ(№K-K7) КОМПОНЕНТЫ ДВИГАТЕЛЯ И ЭЛЕКТРИКА

Схема запчастей Komatsu PC150NHD-5K - ПАНЕЛЬ ПРИБОРОВ(№K-K7) КОМПОНЕНТЫ ДВИГАТЕЛЯ И ЭЛЕКТРИКА
FIT
1:1
100%

Артикул

Название

Примечание

Количество

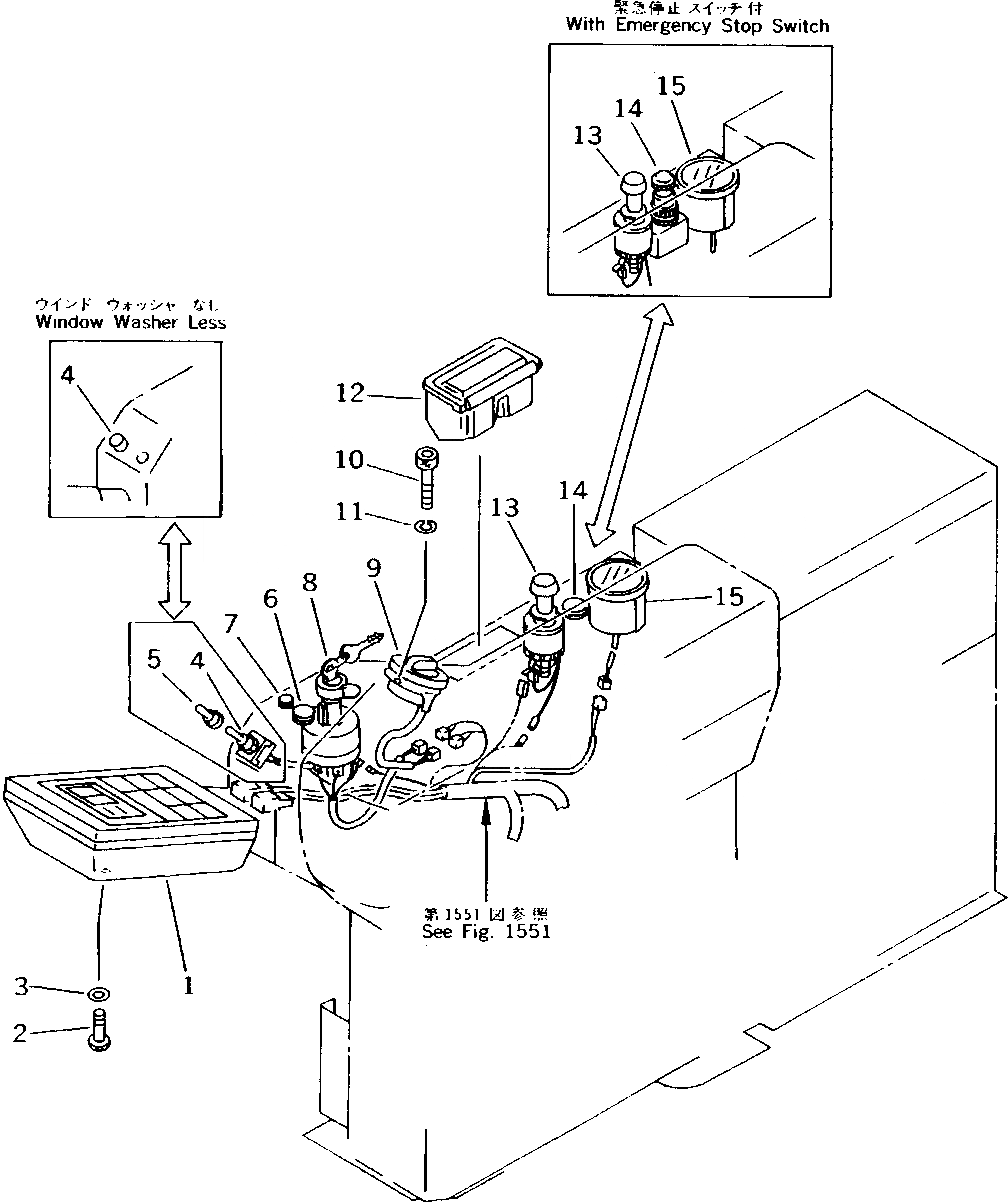
1

7824-70-6100

PANEL,(SEE FIG.1601)

2

01220-70616

SCREW

3

01643-70623

WASHER

4

20Y-06-15551

SWITCH,WINDOW WASHER

|4

09415-00706

CAP

5

203-06-41610

CAP

6

09415-01610

CAP

7

09415-00706

CAP

8

205-06-73350

SWITCH,STARTING

|8

08086-10001

KEY,(FOR VANDLISM)

9

7825-30-1301

DIAL,FUEL

10

01252-40410

BOLT

11

01601-20410

WASHER,SPRING

12

20Y-06-16540

ASHTRAY

13

423-06-K1330

LIGHTER,CIGARET

14

09415-01610

CAP

|14

21P-06-21270

SWITCH,EMERGENCY STOP

15

203-06-56240

SERVICE METER ASS'Y

Выбрано товаров: 0