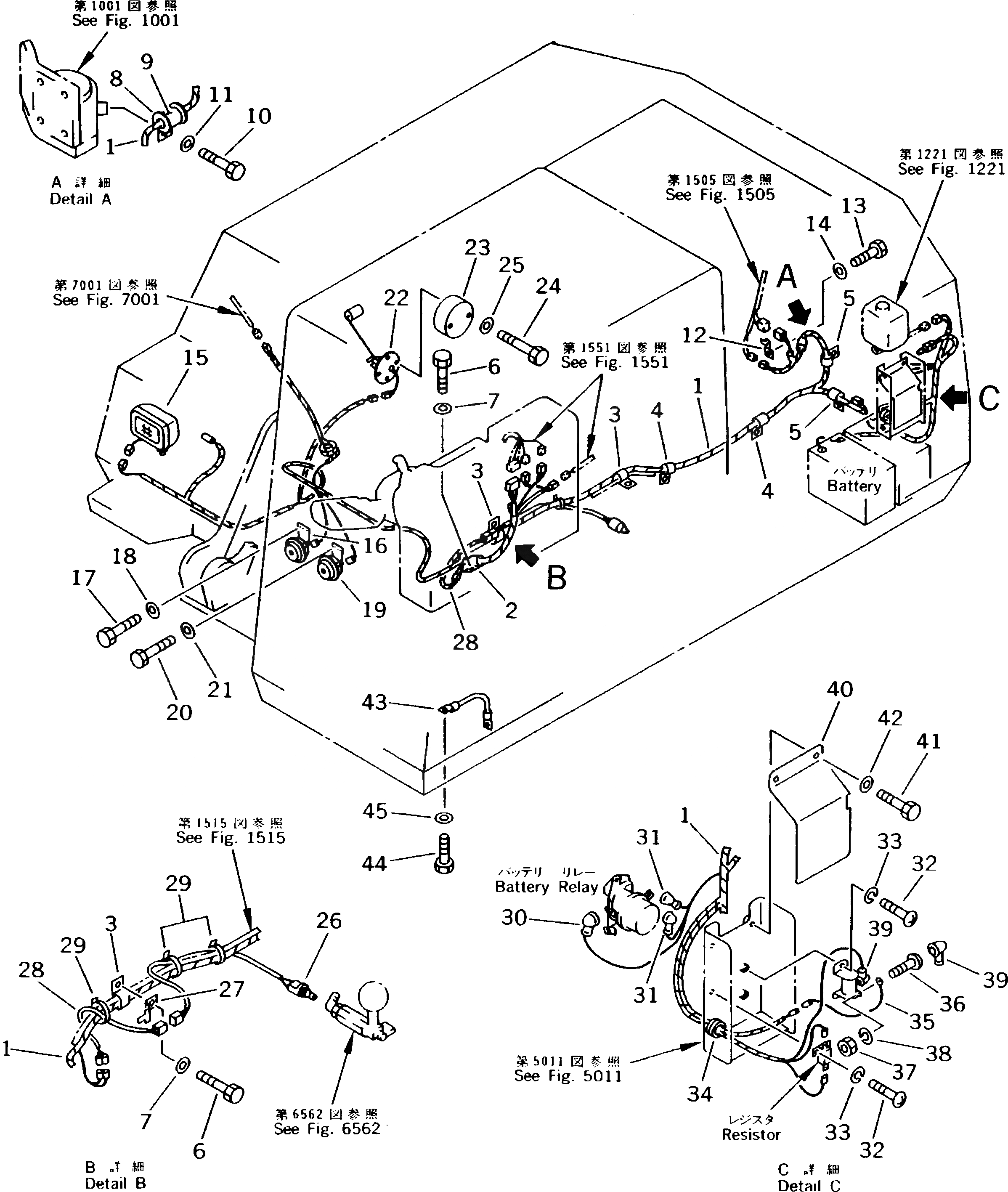
Запчасти Komatsu PC150NHD-5K ЭЛЕКТРИКА (РАБОЧ. ОСВЕЩЕНИЕ И ЗВУК. СИГНАЛ. ЛИНИЯ)(№K-K7) КОМПОНЕНТЫ ДВИГАТЕЛЯ И ЭЛЕКТРИКА

Схема запчастей Komatsu PC150NHD-5K - ЭЛЕКТРИКА (РАБОЧ. ОСВЕЩЕНИЕ И ЗВУК. СИГНАЛ. ЛИНИЯ)(№K-K7) КОМПОНЕНТЫ ДВИГАТЕЛЯ И ЭЛЕКТРИКА
FIT
1:1
100%

Артикул

Название

Примечание

Количество

1

203-06-K1251

WIRING HARNESS

|1

203-06-59170

LINK,FUSIBLE

|1

08020-10000

DIODE

2

08036-01414

CLIP

3

203-06-56390

CLIP

4

20Y-06-15330

CLIP

5

08036-03014

CLIP

6

01010-51020

BOLT

7

01643-31032

WASHER

8

07095-20318

CUSHION

9

08036-02514

CLIP

10

01010-51020

BOLT

11

01643-31032

WASHER

12

08053-00910

CLIP

13

01010-51020

BOLT

14

01643-31032

WASHER

15

205-06-K1220

WORK LAMP ASS'Y

|15

205-06-K1890

BULB¤ 70W

16

08160-52400

HORN

17

01010-50816

BOLT

18

01643-30823

WASHER

19

08160-52410

HORN,ADDITIONAL

20

01010-50816

BOLT

21

01643-30823

WASHER

22

7861-92-4800

SENSOR,FUEL LEVEL

23

201-06-62310

COVER

24

01010-51070

BOLT

25

01643-31032

WASHER

26

203-06-56121

SWITCH,P.P.C.

27

08053-01510

CLIP

28

21P-06-21260

WIRING HARNESS

29

08034-00519

BAND

30

08038-04030

CAP

31

08038-00519

CAP

32

01220-40408

SCREW

33

01601-20410

WASHER,SPRING

34

08037-01610

GROMMET

35

21P-06-21330

WIRE,(FOR ETHER START)

36

01220-40306

SCREW,(FOR ETHER START)

37

01580-10302

NUT,(FOR ETHER START)

38

01601-20307

WASHER,SPRING (FOR ETHER START)

39

08038-00519

CAP,(FOR ETHER START)

40

203-06-59420

COVER,(FOR ETHER START)

41

01010-50816

BOLT,(FOR ETHER START)

42

01643-30823

WASHER,(FOR ETHER START)

43

08028-42025

CABLE,FLOOR FRAME EARTH

44

01010-51020

BOLT

45

01643-31032

WASHER

Выбрано товаров: 48