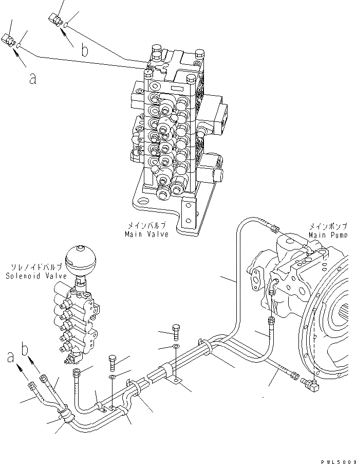
Запчасти Komatsu PC158US-2 L.S. ЛИНИЯ (ДЛЯ -КЛАПАН) ГИДРАВЛИКА

Схема запчастей Komatsu PC158US-2 - L.S. ЛИНИЯ (ДЛЯ -КЛАПАН) ГИДРАВЛИКА
1
1
2
2
3
3
4
4
5
6
7
8
8
9
9
10
11
12
13
14
15
FIT
1:1
100%

Артикул

Название

Примечание

Количество

1

07096-00223

HOSE

2

07096-00321

HOSE

3

203-62-52360

HOSE

4

08034-00519

BAND

5

208-06-19170

CLIP

6

04434-51812

CLIP

7

04435-52212

CLIP

8

01010-81225

BOLT

9

01643-31232

WASHER

10

22B-60-11600

VALVE ASS'Y

|10

203-62-63981

ELBOW

11

07002-11423

O-RING

12

07235-10210

ELBOW

13

07002-11423

O-RING

14

07095-11035

CUSHION

15

08034-20536

BAND

Выбрано товаров: 0