Качественные детали и логистика
Оригинальные и аналоговые запчасти с доставкой по России, Казахстану и Беларуси
©2022 PartSell ООО "Система" ИНН 2463123282 ОГРН 1212400004838
Центральный офис: г. Красноярск, Академика Киренского, д.87, пом.4
Телефон: 8 (800) 777-65-74 Email: zakaz@partsell.ru
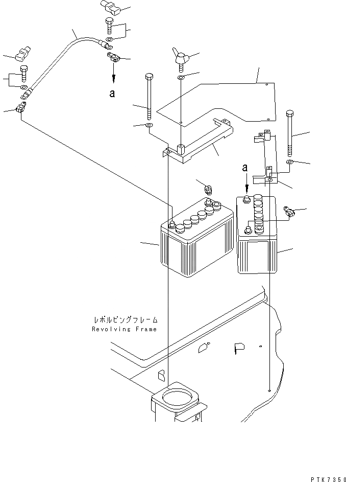
АККУМУЛЯТОР И КРЕПЛЕНИЕ (ВЫСОК. ЕМК.)
№
Артикул
Название
Примечание
Количество
1
21Y-06-11510
BATTERY, WET(115D31R
2
08000-00000
TERMINAL, (+)
3
08000-00001
TERMINAL, (-)
4
22B-06-11151
CLAMP
5
22B-06-11161
6
21W-06-21290
BOLT
7
01643-31032
WASHER
8
08028-68040
WIRE
9
08038-42009
CAP
10
22B-06-11171
COVER
11
01434-00820
BOLT, WING
12
01643-30823
Выбрано товаров: 0