Запчасти Komatsu PC158USLC-2 ОСНОВН. КОНСТРУКЦИЯ (УПРАВЛ. НАВЕСН. ОБОРУД.) КАБИНА ОПЕРАТОРА И СИСТЕМА УПРАВЛЕНИЯ

Схема запчастей Komatsu PC158USLC-2 - ОСНОВН. КОНСТРУКЦИЯ (УПРАВЛ. НАВЕСН. ОБОРУД.) КАБИНА ОПЕРАТОРА И СИСТЕМА УПРАВЛЕНИЯ
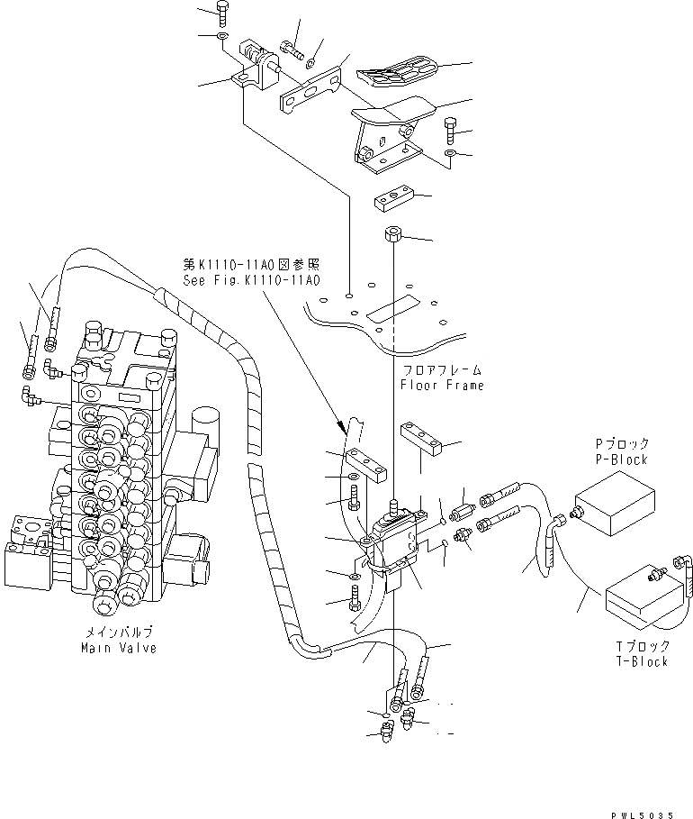
1
2
3
4
4
5
6
7
8
9
10
11
12
12
13
13
14
15
16
17
18
19
20
21
22
23
24
25
26
26
27
27
28
29
FIT
1:1
100%

Артикул

Название

Примечание

Количество

1

702-16-01270

PILOT VALVE

2

01010-81030

BOLT

3

01643-31032

WASHER

4

20Y-62-25411

PLATE

5

01010-81040

BOLT

6

01643-31032

WASHER

7

08034-00536

BAND

8

20N-62-31250

NIPPLE

9

07000-02011

O-RING

10

20U-62-22280

NIPPLE

11

07000-02011

O-RING

12

21P-62-11590

ELBOW

13

07000-02011

O-RING

14

203-43-61510

PEDAL

15

01010-D0820

BOLT

16

01643-70823

WASHER

17

14X-43-12110

PEDAL CAP

18

203-43-61520

SEAT

19

01583-11408

NUT

20

20Y-62-25380

PLATE

21

01010-D1030

BOLT

22

01643-71032

WASHER

23

20Y-62-25360

BRACKET

24

01010-D1025

BOLT

25

01643-71032

WASHER

26

07184-00221

HOSE, 2100MM

27

07184-00224

HOSE, 2400MM

28

20T-62-81410

HOSE, 500MM

29

20T-62-81480

HOSE, 400MM

Выбрано товаров: 29