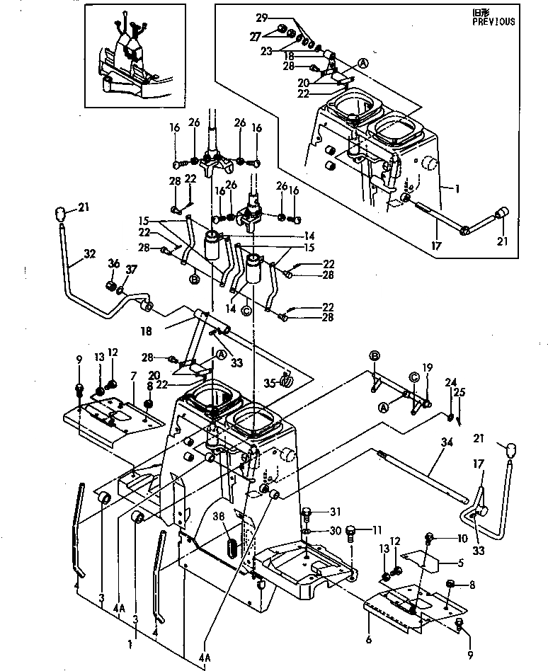
Запчасти Komatsu PC15FR-1 УПРАВЛ-Е ОБОРУД-Е (РЫЧАГ И СТОЙКА) СИСТЕМА УПРАВЛЕНИЯ

Схема запчастей Komatsu PC15FR-1 - УПРАВЛ-Е ОБОРУД-Е (РЫЧАГ И СТОЙКА) СИСТЕМА УПРАВЛЕНИЯ
FIT
1:1
100%

Артикул

Название

Примечание

Количество

1

YM172183-45402

SUPPORT ASS'Y,LINK

|1

YM172183-45401

SUPPORT ASS'Y

3

YM172141-41370

BUSHING

4

YM172183-45700

RUBBER

4A

YM172141-41360

BUSHING

5

YM17216545620K

COVER,SUPPORT

6

YM17218345720K

COVER

7

YM17218345740K

COVER

8

YM194630-62360

GROMMET

9

YM172519-63240

BOLT

10

YM172519-63240

BOLT

11

YM26013-100252

BOLT

12

YM26116-060202

BOLT

13

YM26716-060002

NUT

14

YM172141-42600

PIPE,LOCK

15

YM17214142701K

LINK,LOCK

|15

YM17214142700K

LINK

16

YM172141-42750

BOLT,STOPPER

17

YM172183-45772

LEVER ASS'Y,LOCK

|17

YM172183-45770

LEVER

18

YM172183-45791

ARM,LOCK

|18

YM172183-45790

ARM

19

YM172183-45800

LINK,LOCK

20

YM17218345831K

LINK,LOCK

|20

YM17218345830K

LINK

21

YM172116-46630

KNOB,LOCK LEVER

|21

YM172116-46630

KNOB

22

YM1C6281-52310

PIN,SNAP

23

YM22137-120000

WASHER

24

YM22137-120000

WASHER

25

YM22417-200200

PIN

26

YM26756-080002

NUT

27

YM26756-120002

NUT

28

YM933110-54100

PIN

29

YM933170-01490

WASHER

30

YM22217-100000

WASHER

31

YM26116-100162

BOLT

32

YM172183-45932

LEVER

33

YM22351-050025

PIN

34

YM172183-45921

SHAFT

35

YM172165-45970

SPRING

36

YM26716-120002

NUT

37

YM22137-120000

WASHER

38

YM933171-15680

GROMMET

Выбрано товаров: 44