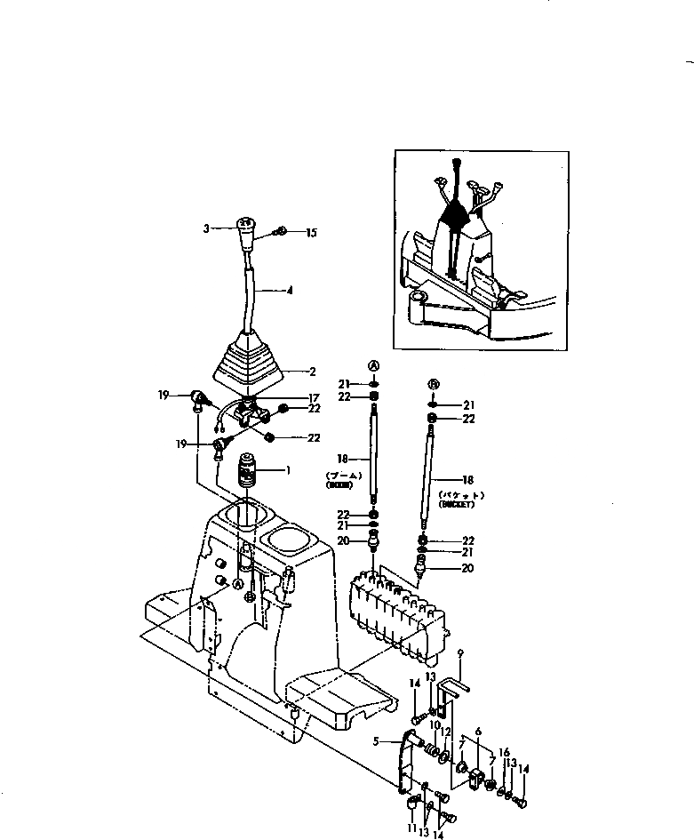
Запчасти Komatsu PC15FR-1 УПРАВЛ-Е ОБОРУД-Е (СТРЕЛА И КОВШ) СИСТЕМА УПРАВЛЕНИЯ

Схема запчастей Komatsu PC15FR-1 - УПРАВЛ-Е ОБОРУД-Е (СТРЕЛА И КОВШ) СИСТЕМА УПРАВЛЕНИЯ
FIT
1:1
100%

Артикул

Название

Примечание

Количество

1

YM172141-41160

JOINT

2

YM172151-45010

BOOT,LEVER

3

YM172165-45081

KNOB

4

YM172183-45140

LEVER

5

YM172183-46301

BASE

|5

YM172183-46300

BASE

6

YM172183-46340

HOSE ASS'Y

7

YM172183-46350

BUSHING,FLANGE

9

YM172183-46400

ARM

10

YM172183-46430

SPRING

11

YM172183-46440

CLAMP

12

YM22137-200000

WASHER

13

YM22217-080000

WASHER

14

YM26116-080162

BOLT

15

YM26587-040062

SCREW

16

YM933166-17730

WASHER

17

YM933168-55770

BAND

18

YM172183-45850

ROD

19

YM172122-46590

END

20

YM172122-47250

BALL,LINK

21

YM22137-080000

WASHER

22

YM26051-080002

NUT

Выбрано товаров: 22