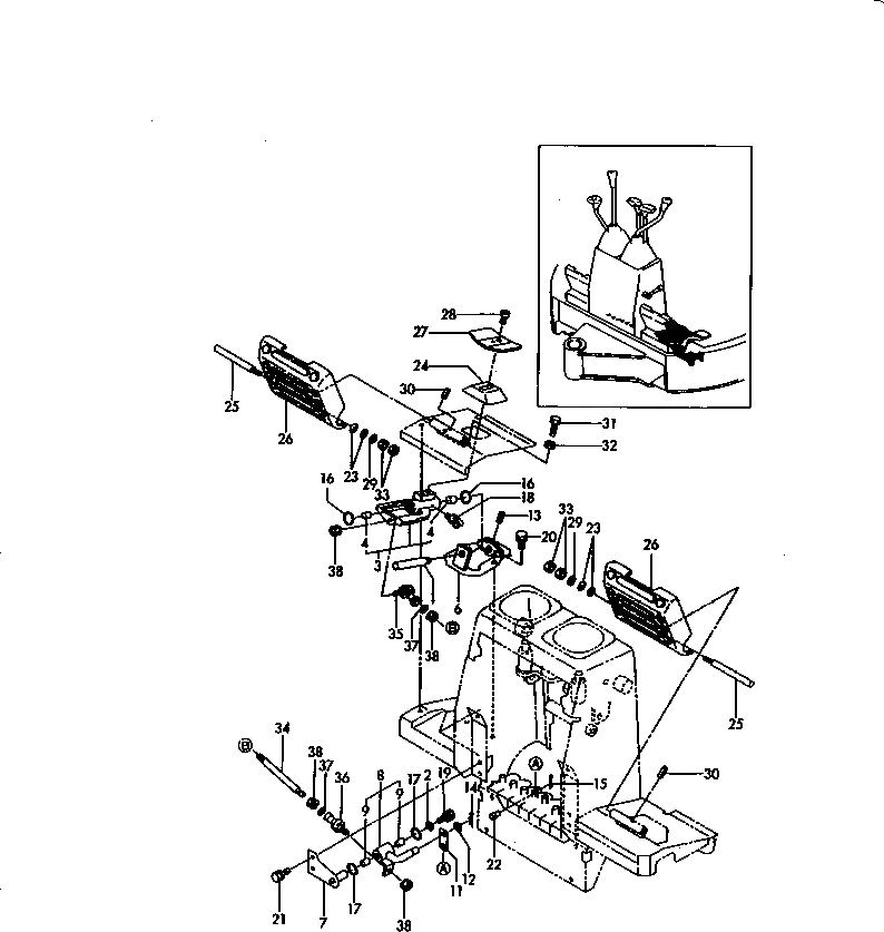
Запчасти Komatsu PC15FR-1 УПРАВЛ-Е ОБОРУД-Е (ПОВОРОТН.) СИСТЕМА УПРАВЛЕНИЯ

Схема запчастей Komatsu PC15FR-1 - УПРАВЛ-Е ОБОРУД-Е (ПОВОРОТН.) СИСТЕМА УПРАВЛЕНИЯ
FIT
1:1
100%

Артикул

Название

Примечание

Количество

1

YM172146-41910

PIN

2

YM1A1040-43900

WASHER,ROD

3

YM172183-45210

LINK ASS'Y,PEDAL

4

YM172141-41360

BUSHING

6

YM172183-45240

BRACKET,PEDAL

7

YM172183-45261

SHAFT,SWING

8

YM172183-45281

LINK ASS'Y,SWING

9

YM172141-41360

BUSHING

11

YM172156-46340

ROD,SPOOL

12

YM22137-120000

WASHER

13

YM22351-040032

PIN

14

YM22372-120000

PIN

15

YM22417-160160

PIN

16

YM24311-000210

O-RING

17

YM24311-000210

O-RING

18

YM24761-050000

FITTING,GREASE

19

YM26013-080202

BOLT

20

YM26013-100202

BOLT

21

YM26013-100252

BOLT

22

YM933110-54100

PIN

23

YM172068-28490

SPRING

24

YM172157-45990

BOOTS,PEDAL

25

YM172165-46230

SHAFT,SWING

26

YM17216546261K

COVER,PEDAL

27

YM172165-46281

PEDAL ASS'Y,SWING

28

YM172165-46340

BOLT

29

YM22137-080000

WASHER

30

YM22351-040020

PIN

31

YM26116-080304

BOLT

32

YM26716-080002

NUT

33

YM26716-080002

NUT

34

YM172150-42600

ROD

35

YM172122-46590

END

36

YM172122-47250

BALL,LINK

37

YM22137-080000

WASHER

38

YM26051-080002

NUT

Выбрано товаров: 36