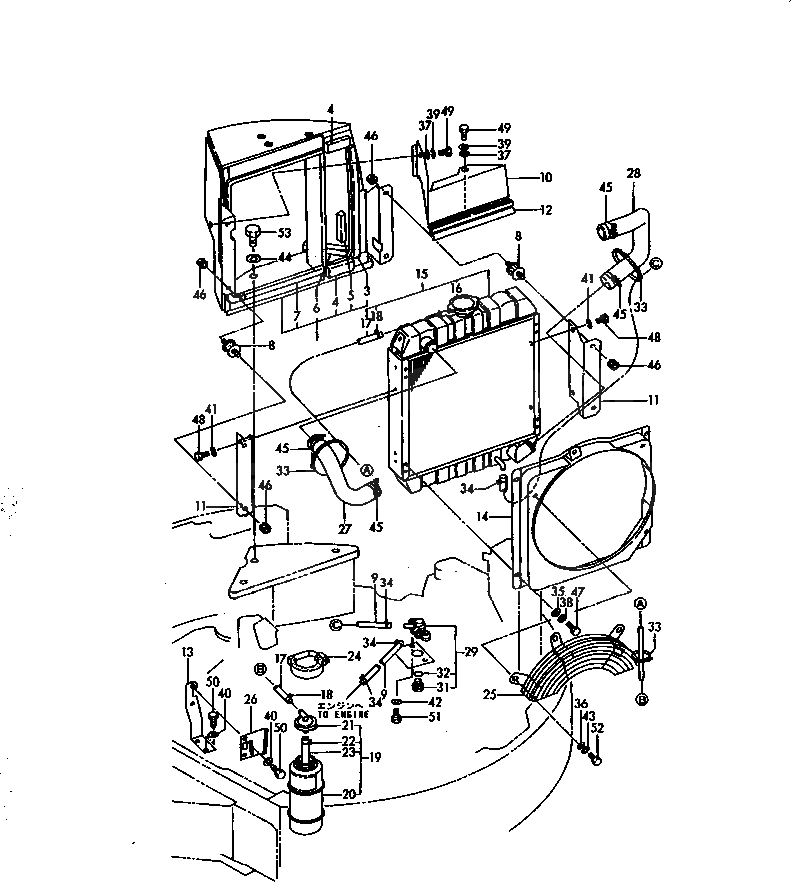
Запчасти Komatsu PC15FR-1 РАДИАТОР И ТРУБЫ КОМПОНЕНТЫ ДВИГАТЕЛЯ И ЭЛЕКТРИКА

Схема запчастей Komatsu PC15FR-1 - РАДИАТОР И ТРУБЫ КОМПОНЕНТЫ ДВИГАТЕЛЯ И ЭЛЕКТРИКА
FIT
1:1
100%

Артикул

Название

Примечание

Количество

1

YM17218313300K

MOUNT ASS'Y,RADIATOR

3

YM172183-13460

SEAL,RADIATOR

4

YM172183-13470

SEAL,RADIATOR

5

YM172183-13490

SEAL,RADIATOR

6

YM172183-13510

SEAL,RADIATOR

7

YM172183-65530

RUBBER,SEAL

8

YM172122-13310

CUSHION,RADIATOR

9

YM1E6511-03220

HOSE,FUEL

10

YM17218313430K

PLATE,SEAL

11

YM17218313440K

BRACKET

12

YM172183-13480

RUBBER,SEAL

13

YM17218313550K

BRACKET

14

YM17218313600K

SHROUD

15

YM119233-44510

RADIATOR

16

YM124450-44590

CAP,RADIATOR

17

YM124738-49150

PIPE,WATER DRAIN

18

YM121250-44590

CLAMP

19

YM121450-44510

TANK ASS'Y

20

YM121450-44520

BODY

21

YM121450-44530

CAP

22

YM124450-44560

CLAMP

23

YM23065-070180

PIPE

24

YM124450-44550

CLAMP

25

YM119233-44601

NET,FAN

|25

YM119233-44600

NET

26

YM121256-44600

BRACKET

27

YM119233-49010

TUBE,WATER

28

YM119253-49020

TUBE,WATER

29

YM121450-49110

VALVE ASS'Y,3-WAY

31

YM121250-49121

PLUG

32

YM24311-000160

O-RING

33

YM194202-56460

BAND

34

YM124766-59050

CLAMP

35

YM22137-060000

WASHER

36

YM22137-080000

WASHER

37

YM22137-080000

WASHER

38

YM22217-060000

WASHER

39

YM22217-080000

WASHER

40

YM22217-080000

WASHER

41

YM22217-080000

WASHER

42

YM22217-080000

WASHER

43

YM22217-080000

WASHER

44

YM22217-160000

WASHER

45

YM23010-038000

CLAMP

46

YM26051-080002

NUT

47

YM26116-060122

BOLT

48

YM26116-080122

BOLT

49

YM26116-080162

BOLT

50

YM26116-080162

BOLT

51

YM26116-080202

BOLT

52

YM26116-080162

BOLT

53

YM26116-160402

BOLT

Выбрано товаров: 52