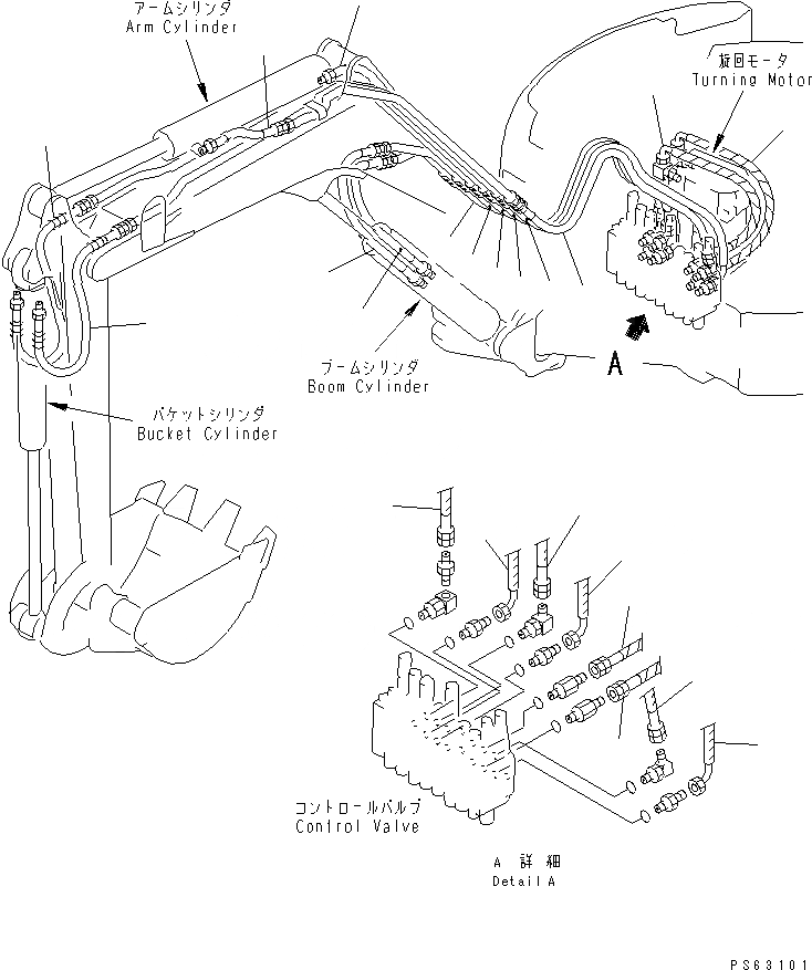
Запчасти Komatsu PC15FR-1 ШЛАНГИ РАБОЧ. ОБОРУД-Я (/) ЧАСТИ BOOK

Схема запчастей Komatsu PC15FR-1 - ШЛАНГИ РАБОЧ. ОБОРУД-Я (/) ЧАСТИ BOOK
1
1
2
2
3
3
4
4
5
5
6
6
7
7
8
8
9
10
11
11
12
13
FIT
1:1
100%

Артикул

Название

Примечание

Количество

1

YM172157-78180

HOSE

2

YM172157-78180

HOSE

3

YM172183-78810

HOSE

4

YM172183-78830

HOSE

5

YM172183-78820

HOSE

6

YM172183-78840

HOSE

7

YM172183-78850

HOSE

8

YM172183-78860

HOSE

9

YM172183-78880

HOSE

10

YM172183-78890

HOSE

11

YM172183-78790

HOSE

12

YM172150-78150

HOSE

13

YM172150-78150

HOSE

Выбрано товаров: 13