Запчасти Komatsu PC15MR-1 АККУМУЛЯТОР И ЭЛЕКТРОПРОВОДКА ЭЛЕКТРИКА

Схема запчастей Komatsu PC15MR-1 - АККУМУЛЯТОР И ЭЛЕКТРОПРОВОДКА ЭЛЕКТРИКА
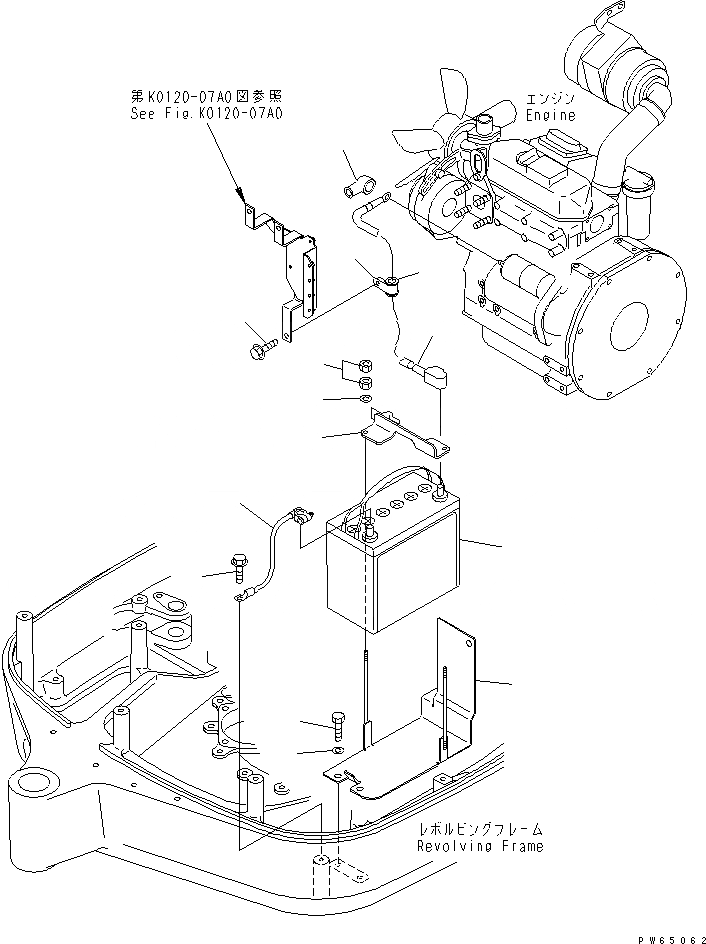
1
2
3
4
5
6
7
8
9
10
11
12
13
14
FIT
1:1
100%

Артикул

Название

Примечание

Количество

1

20C-06-31110

BATT¤ WET FZ55B24L

2

22J-06-15311

BRACKET

3

01580-10605

NUT

4

01642-20608

WASHER

5

22J-06-15120

CABLE

|5

22J-06-15130

CAP

6

08038-04030

CAP

7

20M-06-72220

CABLE

|7

08030-01510

TERMINAL

8

01435-00812

BOLT

9

22J-54-15512

BRACKET

10

01010-81025

BOLT

11

01643-31032

WASHER

12

07095-20213

CUSHION

13

22J-06-15160

CLIP

14

01435-00812

BOLT

Выбрано товаров: 16