Качественные детали и логистика
Оригинальные и аналоговые запчасти с доставкой по России, Казахстану и Беларуси
©2022 PartSell ООО "Система" ИНН 2463123282 ОГРН 1212400004838
Центральный офис: г. Красноярск, Академика Киренского, д.87, пом.4
Телефон: 8 (800) 777-65-74 Email: zakaz@partsell.ru
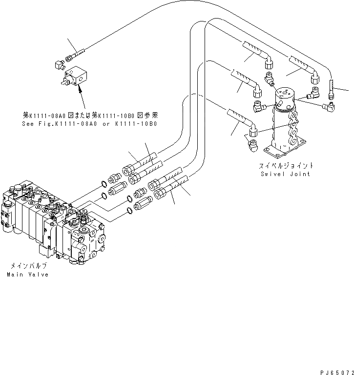
ГИДРОЛИНИЯ (МОТОР ХОДА ЛИНИЯ)
№
Артикул
Название
Примечание
Количество
1
22J-62-16611
HOSE
2
22J-62-16710
3
22J-62-16720
4
22J-62-16730
5
22J-62-16681
Выбрано товаров: 0