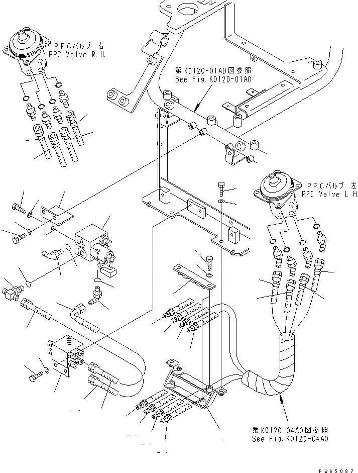
Запчасти Komatsu PC15MR-1 ОСНОВАНИЕ КРЕСЛА (ЛИНИЯ КЛАПАНА PPC) (РУКОЯТЬ¤ ПОВОРОТН.¤ СТРЕЛА¤ КОВШ) КАБИНА ОПЕРАТОРА И СИСТЕМА УПРАВЛЕНИЯ

Схема запчастей Komatsu PC15MR-1 - ОСНОВАНИЕ КРЕСЛА (ЛИНИЯ КЛАПАНА PPC) (РУКОЯТЬ¤ ПОВОРОТН.¤ СТРЕЛА¤   КОВШ) КАБИНА ОПЕРАТОРА И СИСТЕМА УПРАВЛЕНИЯ
1
2
3
4
5
6
7
8
9
10
11
12
13
14
14
15
15
15
16
17
18
19
19
20
20
21
21
22
22
23
23
24
24
25
25
26
26
27
27
28
28
FIT
1:1
100%

Артикул

Название

Примечание

Количество

1

22J-62-16551

BRACKET

2

01010-80820

BOLT

3

01643-30823

WASHER

4

22K-62-11331

PLATE

5

01010-80816

BOLT

6

01643-30823

WASHER

7

22J-62-16561

BRACKET

8

01010-80820

BOLT

9

01643-30823

WASHER

10

22J-60-15210

VALVE ASS'Y

11

01010-80820

BOLT

12

01643-30823

WASHER

13

21U-62-31150

TEE

14

07235-10210

ELBOW

15

07002-11423

O-RING

16

22J-62-16581

BLOCK

17

01010-80820

BOLT

18

01643-30823

WASHER

19

22J-62-16480

HOSE

20

22J-62-16490

HOSE

21

21U-62-34710

BAND¤ YELLOW

22

21U-62-34720

BAND¤ BLACK

23

21U-62-34730

BAND¤ GREEN

24

21U-62-34740

BAND¤ ORANGE

25

21U-62-34750

BAND¤ BLUE

26

21U-62-34760

BAND¤ RED

27

21U-62-34770

BAND¤ WHITE

28

21U-62-34780

BAND¤ BROWN

Выбрано товаров: 28