Запчасти Komatsu PC15MRX-1 АККУМУЛЯТОР И ЭЛЕКТРОПРОВОДКА (ДЛЯ КРОМЕ ЯПОН.) ЭЛЕКТРИКА

Схема запчастей Komatsu PC15MRX-1 - АККУМУЛЯТОР И ЭЛЕКТРОПРОВОДКА (ДЛЯ КРОМЕ ЯПОН.) ЭЛЕКТРИКА
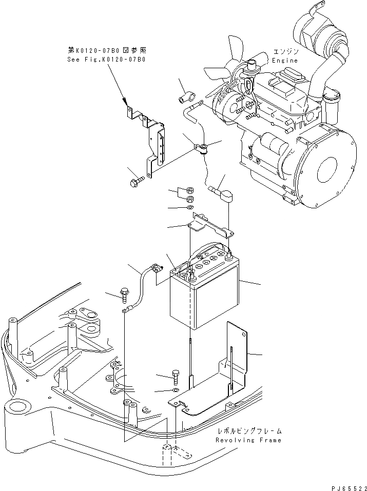
1
2
3
4
5
6
7
8
9
10
11
12
13
14
15
FIT
1:1
100%

Артикул

Название

Примечание

Количество

1

22J-06-1A202

BATTERY,WET,WET

1

22J-06-1A201

BATTERY,WET,WET

1

22J-06-1A210

BATTERY,WET

2

22J-98-1A132

PLATE

2

22J-98-1A131

PLATE

2

22J-98-1A130

PLATE

3

22J-06-15311

BRACKET

4

01580-10605

NUT

5

01642-20608

WASHER

6

22J-06-15120

CABLE

6

22J-06-1A220

CABLE

7

08038-04030

CAP

8

07095-20213

CUSHION

9

22J-06-15160

CLIP

10

01435-00812

BOLT

11

22J-06-15170

CABLE

11

08030-01510

TERMINAL

12

01435-00812

BOLT

13

22J-54-15514

BRACKET

14

01010-81025

BOLT

15

01643-31032

WASHER

Выбрано товаров: 21