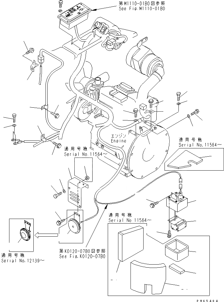
Запчасти Komatsu PC15MRX-1 ЭЛЕКТР. ЭЛЕКТРОПРОВОДКА (ОСНОВН. Э/ПРОВОДКА ЛИНИЯ) (ДЛЯ КРОМЕ ЯПОН.) ЭЛЕКТРИКА

Схема запчастей Komatsu PC15MRX-1 - ЭЛЕКТР. ЭЛЕКТРОПРОВОДКА (ОСНОВН. Э/ПРОВОДКА ЛИНИЯ) (ДЛЯ КРОМЕ ЯПОН.) ЭЛЕКТРИКА
1
1
2
3
4
4
5
6
7
7
8
9
9
9
10
10
10
11
11
12A
12
13
14
15
16
17
18
19
20
21
22
23
24
FIT
1:1
100%

Артикул

Название

Примечание

Количество

1

08053-01510

CLIP

2

01435-01016

BOLT

3

01435-00814

BOLT

4

04434-51008

CLIP

5

04434-51410

CLIP

6

01435-01016

BOLT

7

01435-00814

BOLT

8

21U-06-21350

CABLE,ENGINE EARTH

9

01010-81016

BOLT

10

01643-31032

WASHER

11

20C-06-31730

HORN

11

08160-61200

HORN

12A

01580-10605

NUT

12

01435-00616

BOLT

13

22J-06-1A151

BRACKET

13

22J-06-1A150

PANEL

14

01010-80816

BOLT

15

01643-30823

WASHER

16

21S-06-2A111

ALARM

17

22J-06-1A111

BRACKET

17

22J-06-1A110

BRACKET

18

01435-00612

BOLT

18

01435-00616

BOLT

19

01023-10410

SCREW

20

22J-06-1A341

SHEET

21

22J-06-1A350

SHEET

22

22J-06-1A360

SHEET

23

22J-06-1A380

SHEET

24

22J-06-1A391

SHEET

Выбрано товаров: 0