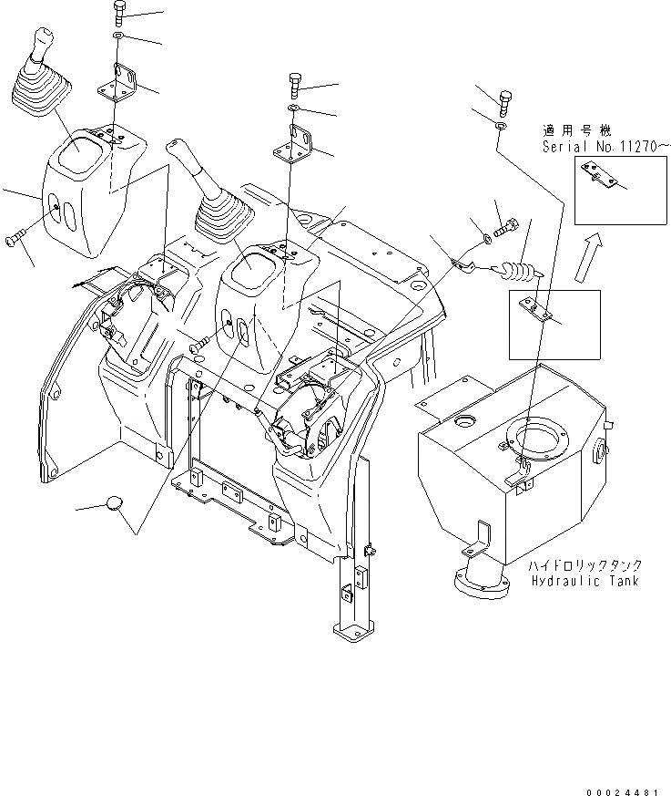
Запчасти Komatsu PC15MRX-1 ОСНОВАНИЕ КРЕСЛА (СТОЙКА КОРПУС АКСЕССУАРЫ) (ДЛЯ КРОМЕ ЯПОН.) КАБИНА ОПЕРАТОРА И СИСТЕМА УПРАВЛЕНИЯ

Схема запчастей Komatsu PC15MRX-1 - ОСНОВАНИЕ КРЕСЛА (СТОЙКА КОРПУС АКСЕССУАРЫ) (ДЛЯ КРОМЕ ЯПОН.) КАБИНА ОПЕРАТОРА И СИСТЕМА УПРАВЛЕНИЯ
1
2
3
3
4
4
5
5
6
6
7
8
9
10
11
12
12
13
14
FIT
1:1
100%

Артикул

Название

Примечание

Количество

1

22J-43-1A220

COVER

2

22J-43-1A230

COVER,R.H.

3

21U-54-33160

SCREW

4

22J-57-1A141

BRACKET

4

22J-57-1A140

BRACKET

5

01010-D0620

BOLT

6

01643-70623

WASHER

7

09304-10835

KNOB

8

22J-43-15751

SPRING

9

22J-43-15761

BRACKET

10

01010-80816

BOLT

11

01643-30823

WASHER

12

22J-43-1A310

BRACKET

12

22J-43-15771

BRACKET

13

01010-81016

BOLT

14

01643-31032

WASHER

Выбрано товаров: 16